8-Bit I2C-Bus and SMBus I/O Port with Interrupt, 2-Kbit EEPROM and 6 Address Pins

ブロック図

図を選択する。:

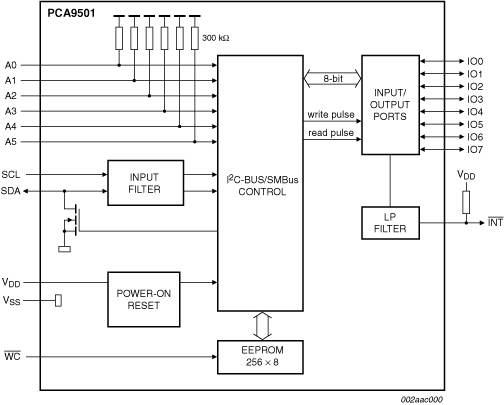
PCA9501 Block Diagram

PCA9501 Block Diagram

Block diagram: PCA9501BS, PCA9501D, PCA9501PW

Features

Key Features

  • 8 general purpose input/output expander/collector
  • Replacement for PCF8574 with integrated 2-kbit EEPROM
  • Internal 256 x 8 EEPROM
  • Self timed write cycle (5 ms typical)
  • 16 byte page write operation
  • I²C-bus and SMBus interface logic
  • Internal power-on reset
  • Noise filter on SCL/SDA inputs
  • Active LOW interrupt output
  • 6 address pins allowing up to 64 devices on the I²C-bus/SMBus
  • No glitch on power-up
  • Supports hot insertion
  • Power-up with all channels configured as inputs
  • Low standby current
  • Operating power supply voltage range of 2.5 V to 3.6 V
  • 5 V tolerant inputs/outputs
  • 0 Hz to 400 kHz clock frequency
  • ESD protection exceeds 2000 V HBM per JESD22-A114, 200 V MM per JESD22-A115 and 1000 V CDM per JESD22-C101
  • Latch-up testing is done to JEDEC Standard JESD78 which exceeds 100 mA
  • Packages offered: SO20, TSSOP20, HVQFN20

購入/パラメータ










































































































ドキュメント

クイック・リファレンス ドキュメンテーションの種類

1-10 件/全 15 ドキュメント

コンパクトリスト

アプリケーション・ノート (4)
サポート情報 (2)
データ・シート (1)
パッケージ情報 (2)
ユーザ・ガイド (2)
レポートまたはプレゼンテーション (1)

デザイン・ファイル

クイック・リファレンス 設計・ファイルの種類.

2 設計・ファイル

エンジニアリング・サービス

1 エンジニアリング・サービス

この製品をサポートするその他のパートナー製品を見つけるには、当社の Web サイトにアクセスしてください パートナーマーケットプレイス.

サポート

お困りのことは何ですか??