SD、SDIO、Mini SD、Micro SD、SIMカード電圧レベル変換器、EMIフィルタおよびESD保護搭載

画像にカーソルを合わせると拡大表示されます。

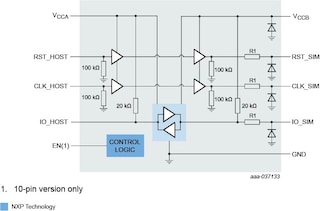
ブロック図

NVT4858

NVT4858 Block Diagram

特長

主な特長

  • 最大208 MHzのクロック周波数をサポート
  • SDR104、SDR50、DDR50、SDR25、SDR12、高速モードおよびデフォルト速度モードをサポートする、SD 3.0仕様準拠の電圧変換
  • ISO-7816 SIM/スマートカード・インターフェース要件に準拠
  • 1.65 V~3.6 VのSDカード/SIMカード供給電圧をサポート
  • ホスト・マイクロコントローラ動作電圧範囲:1.08 V~1.95 V
  • クロック同期用のフィードバック・チャネル
  • ブレーク・ビフォア・メイク (BBM) アーキテクチャでのプッシュ・プル出力段による低消費電力
  • VCCB経由での自動イネーブル/ディセーブル
  • プルアップおよびプルダウン抵抗内蔵:外部抵抗が不要
  • 内蔵EMIフィルタがデジタルI/Oの高調波を抑制
  • IEC 61000-4-2レベル4に準拠した8 kVのESD保護をカード側に内蔵し、外部ESDダイオードが不要
  • レベル変換バッファによってホストをESDストレスから保護(ゼロ・クランプ概念)
  • 0.4 mmピッチのXQFN16および0.35 mmピッチのWLCSP16で提供

比較表

NVT4857UK NVT4858UK NVT4858HK
SIMカード・レベル変換
内部LDO
パッケージ WLCSP20 WLCSP16 HQFN16

購入/パラメータ










































































































ドキュメント

クイック・リファレンス ドキュメンテーションの種類

5 ドキュメント

コンパクトリスト

アプリケーション・ノート (1)
データ・シート (1)
パッケージ情報 (2)
ファクト・シート (1)

デザイン・ファイル

クイック・リファレンス 設計・ファイルの種類.

1 設計・ファイル

ハードウェア

クイック・リファレンス ボードタイプ.

2 ハードウェア提供

サポート

お困りのことは何ですか??