
Resonant Power Supply Control IC
お客様の素早い設計とより早い製品化を実現する、技術情報と専門知識をご紹介します。
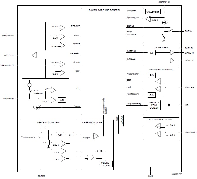
TEA2016AATは、高効率共振電源用のデジタル・コンフィギュラブルLLC & PFCコンボ・コントローラです。この製品には、LLCコントローラ機能と、DCMモードおよびQRモードで動作するPFCコントローラ機能の両方が搭載されています。
TEA2016AATは、薄型でボディ幅が狭いSO16パッケージを採用しています。NXPの洗練された設計により、少ないコンポーネントで完全な共振電源を構築し、設計プロセスを簡素化することができます。
TEA2016AATとTEA1995Tを組み合わせることで、最小限の外部コンポーネントで90~500 Wの電力を供給する、設計が容易で高効率かつ信頼性の高い電源が得られます。このシステムは、無負荷時の入力電力が低く(TEA2016AAT/TEA1995Tの組み合わせを含むシステム全体で75 mW未満)と、最小負荷から最大負荷までの範囲で優れた効率を達成します。
この電源は、Energy Star、米国エネルギー省、EUのエコデザイン指令、欧州行動規範、およびその他のエネルギー規制が定める効率規制を満たしています。TEA2016AATは非常に高効率であるため、補助的な低消費電力電源は必要ありません。
| 製品 | 高耐圧金型に使用されるプロセス | 特長 | サポート情報 |
|---|---|---|---|
| TEA2016AAT/1 | EZHV(シリコン・オン・インシュレータ) | 参考動作 | 比較 |
| TEA2016AAT/2 | ABCD3HV+ (シリコン・オン・インシュレータ) |
|
|
|
|
|
|
|
|
|---|---|---|---|---|---|
|
|
|
|
|
|
|
|
|
|
|
|
|
|
|
|
|
|
|
|
|
|
|
|
|
|
|
|
|
|
|
|
|
|
|
|
|
|
|
|
|
|
|
|
|
|
|
|
|
|
|
|
|
|
|
|
|
|
|
|
|
|
|
|
|
|
|
|
|
|
クイック・リファレンス ドキュメンテーションの種類
10 ドキュメント
コンパクトリスト
セキュアファイルの読み込み中、しばらくお待ちください。
クイック・リファレンス ソフトウェア・タイプ.
5 ソフトウェア・ファイル
注: より快適にご利用いただくために、ソフトウェアのダウンロードはデスクトップで行うことを推奨します。
セキュアファイルの読み込み中、しばらくお待ちください。
2 トレーニング