デザイン・ファイル
完全な内訳を受け取ります。 製品の設置面積などについては、 eCad ファイル.
お客様の素早い設計とより早い製品化を実現する、技術情報と専門知識をご紹介します。
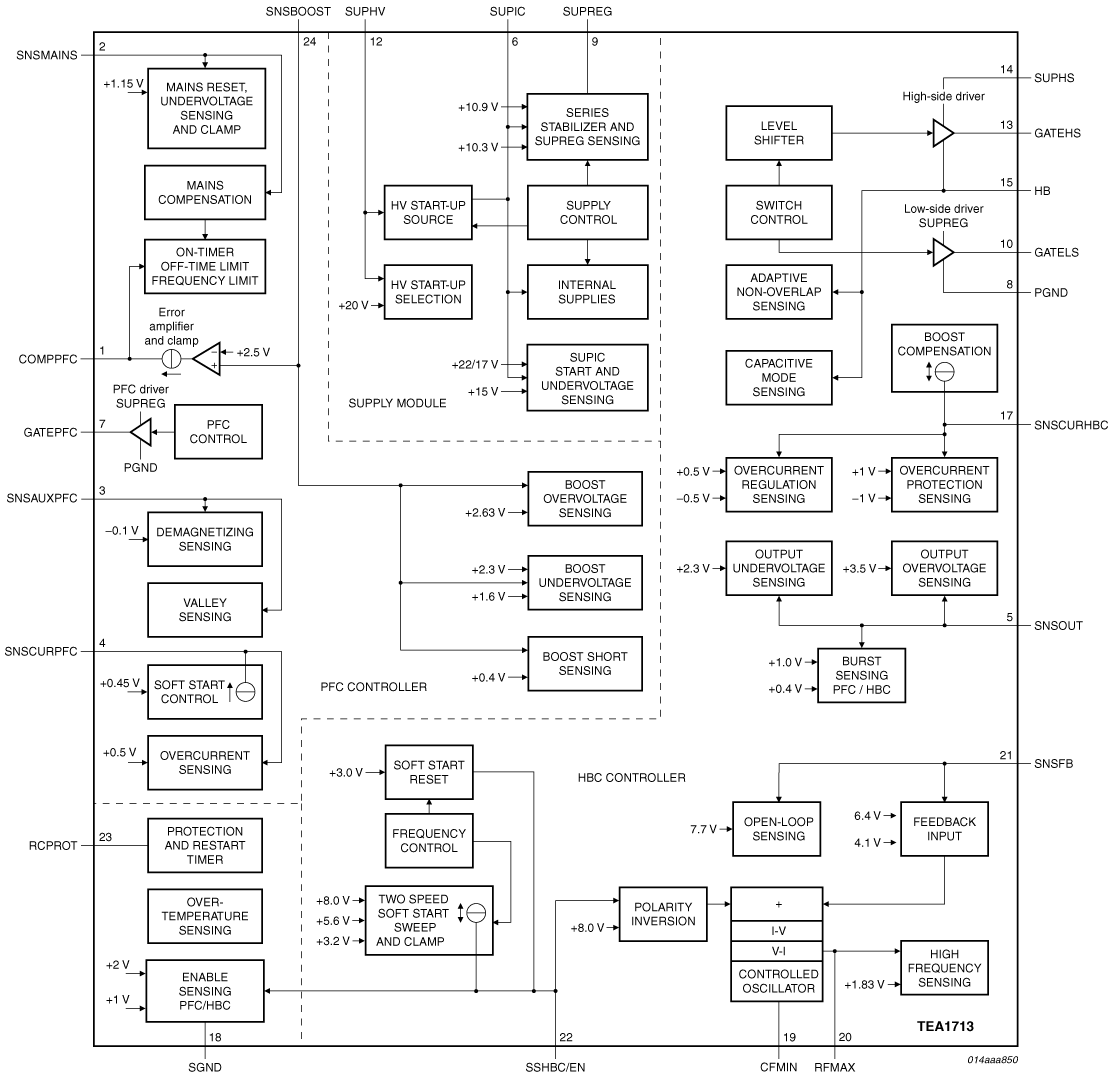
The TEA1713 integrates a power factor corrector (PFC) controller and a controller for a half-bridge resonant converter (HBC) in a multi-chip IC. It provides the drive function for the discrete MOSFET in an up-converter and for the two discrete power MOSFETs in a resonant half-bridge configuration. Highly efficient and reliable power supplies providing over 100 W can be designed easily using the TEA1713, with a minimum of external components.

|
|
|
|
|
|
|
|---|---|---|---|---|---|
|
|
|
|
|
|
|
|
|
|
|
|
|
|
|
|
|
|
|
|
|
|
|
|
|
|
|
|
|
|
|
|
|
|
|
|
|
|
|
|
|
|
|
|
|
|
|
|
|
|
|
|
|
|
|
|
|
|
|
|
|
|
|
|
|
|
|
|
|
|
クイック・リファレンス ドキュメンテーションの種類
5 ドキュメント
コンパクトリスト
セキュアファイルの読み込み中、しばらくお待ちください。
1 ハードウェア提供

1 ハードウェア提供

この製品をサポートするその他のパートナー製品を見つけるには、当社の Web サイトにアクセスしてください パートナーマーケットプレイス.