アプリケーション・ノート (2)
カタログ (1)
-
車載用セーフティ・システム・ベーシス・チップ – パンフレット[SBCAUTOBRA4]
お客様の素早い設計とより早い製品化を実現する、技術情報と専門知識をご紹介します。
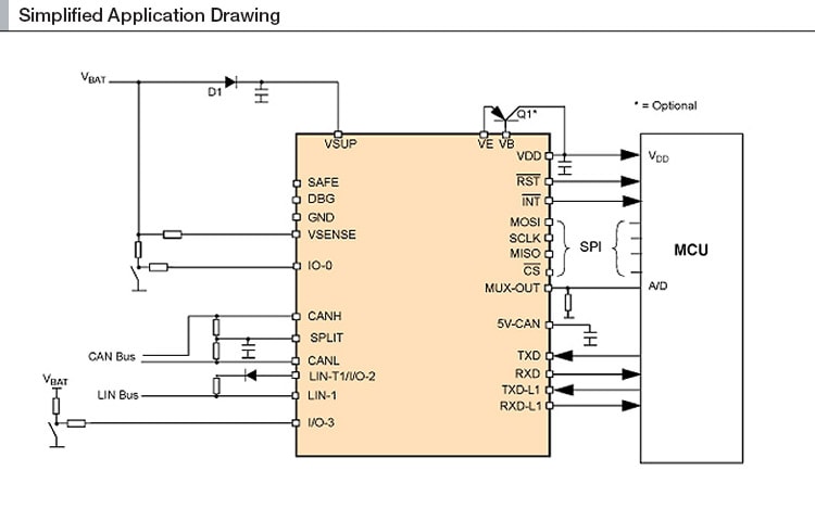
The NXP® MC34903 is an analog companion chip for the MCU and combines several voltage regulators, interface, monitoring and control, and other features to enhance present module designs targeting the industrial market.

|
|
|
|
|
|
|
|---|---|---|---|---|---|
|
|
|
|
|
|
|
|
|
|
|
|
|
|
|
|
|
|
|
|
|
|
|
|
|
|
|
|
|
|
|
|
|
|
|
|
|
|
|
|
|
|
|
|
|
|
|
|
|
|
|
|
|
|
|
|
|
|
|
|
|
|
|
|
|
|
|
|
|
|
クイック・リファレンス ドキュメンテーションの種類
4 ドキュメント
コンパクトリスト
セキュアファイルの読み込み中、しばらくお待ちください。