Buck/Boost High-Speed CAN/Dual LIN System Basis Chip Family

ブロック図

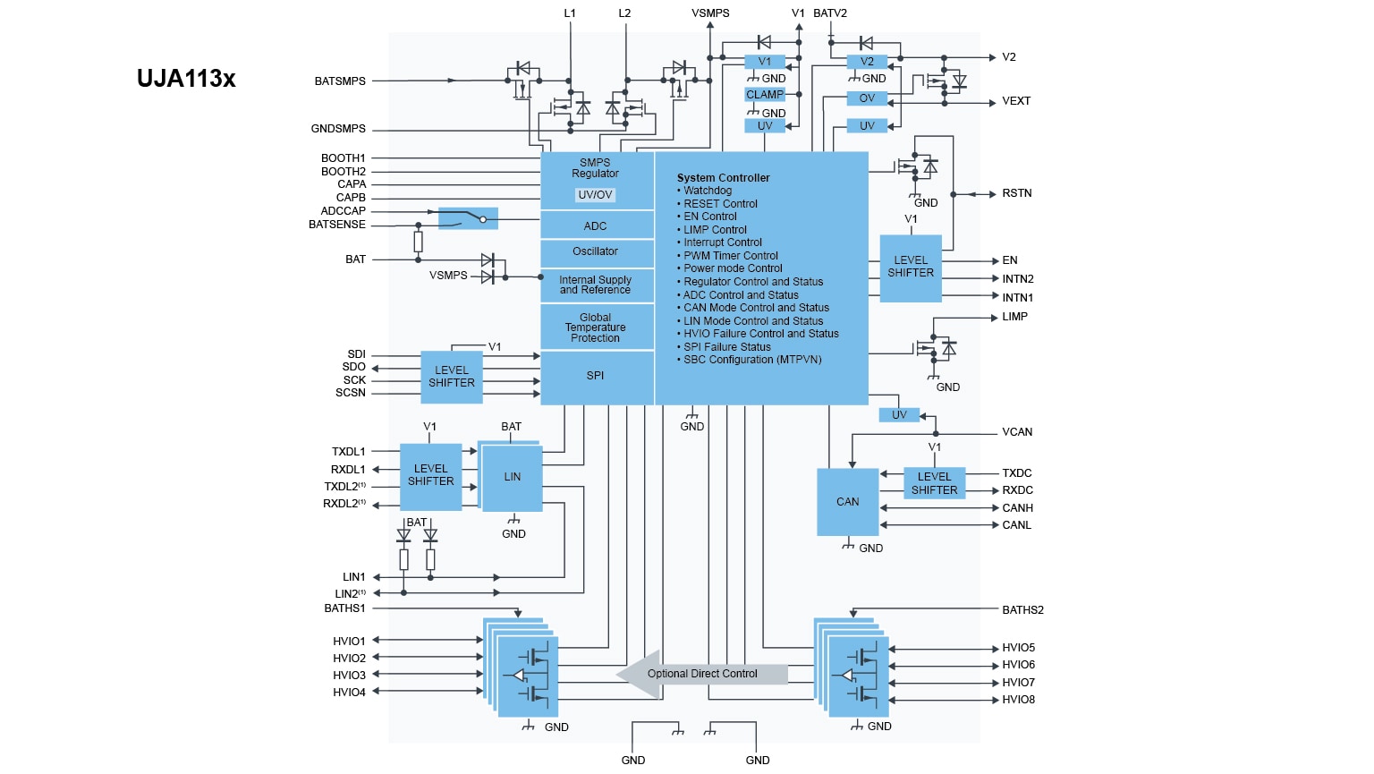
UJA113xHW Block Diagram

UJA113xHW Block Diagram

Features

General

  • Designed for automotive applications according to ISO 11898-2/5/6
  • ±6 kV ESD protection according to the Human Body Model (HBM) on the CAN/LIN bus pins
  • ±6 kV ESD protection according to IEC 61000-4-2 on the CAN/LIN bus pins, the sensor supply output (VEXT) and the HVIO pins
  • ±40 V short-circuit proof CAN/LIN bus pins
  • Battery and CAN/LIN bus pins are protected against transients in accordance with ISO 7637-3

Integrated Buck and Boost Converter (SMPS)

  • Automatic Buck or Boost mode selection depending on input voltage and output load conditions functions with a single external coil
  • The SMPS functions as a pre-regulator for V1 and, optionally, V2
  • The SMPS can be used to supply external loads directly

Low-Drop Voltage Regulators (LDOs)

  • V1 voltage regulator 5 V or 3.3 V with 500 mA output current capability
  • V2 auxiliary voltage regulator 5 V with 100 mA output current capability.
  • V2 is protected against shorts to GND and battery for off-board loads

CAN Transceiver

  • ISO 11898-2/5/6 compliant 1 Mbit/s high-speed CAN Transceiver supporting CAN FD active communication up to 2 Mbit/s in the CAN FD data field
  • Autonomous bus biasing according to ISO 11898-6:2013
  • UJA113xFD: selective wake-up function (ISO11989-6:2013 compliant CAN partial networking)

LIN Transceivers

  • One or two LIN channels depending on the selected device
  • LIN 2.x and SAE J2602 compliant
  • Integrated LIN follower termination
  • Improved EMC emission performance with optimized curve shaping

High-Voltage I/Os (not available in UJA113xFD/0 variants)

  • 4 or 8 I/O pins individually configurable as high- or low-side output drivers
  • Reverse-current protection of the output in off-mode (loss-of-ground and loss-of-battery proof)
  • Open-load diagnostics and short-circuit protection and diagnostics
  • Individually configurable as inputs with wake-up capability
  • Three HVIOs can be configured individually as limp-home outputs

A/D Converter for Monitoring the Battery Voltage

  • Two channels: 10-bit resolution, accurate to ±300 mV at 20 V full scale
  • Undervoltage and overvoltage detection

購入/パラメータ










































































































ドキュメント

クイック・リファレンス ドキュメンテーションの種類

3 ドキュメント

コンパクトリスト

デザイン・ファイル

クイック・リファレンス 設計・ファイルの種類.

ハードウェア

クイック・リファレンス ボードタイプ.

3 ハードウェア提供

トレーニング

1 トレーニング

サポート

お困りのことは何ですか??