S12VRミックスド・シグナル・マイクロコントローラ(車載/産業用リレー駆動型モータ制御)
デザイン・ファイル
完全な内訳を受け取ります。 製品の設置面積などについては、 eCad ファイル.
お客様の素早い設計とより早い製品化を実現する、技術情報と専門知識をご紹介します。
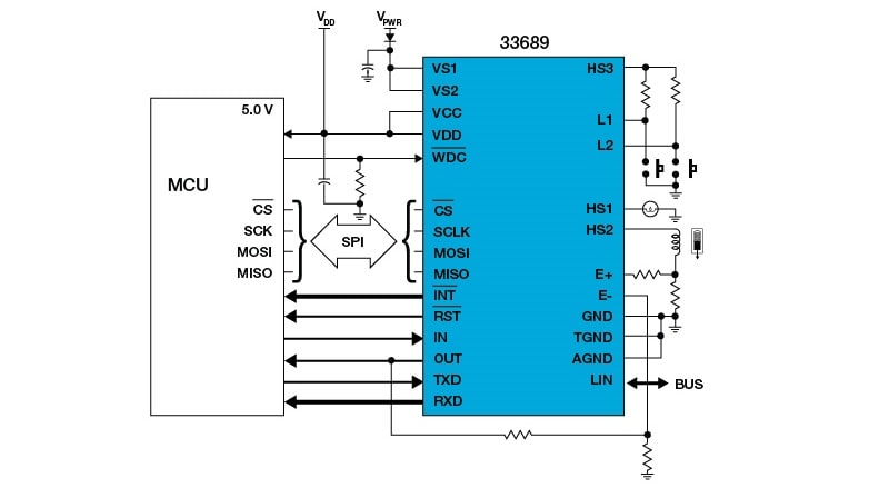
The NXP® MC33689 is a serial peripheral interface (SPI) controlled system basis chip that combines frequently used functions in an MCU-based system with a LIN transceiver. Applications include power window, mirror, and seat controls.

S12VRミックスド・シグナル・マイクロコントローラ(車載/産業用リレー駆動型モータ制御)
|
|
|
|
|
|
|
|---|---|---|---|---|---|
|
|
|
|
|
|
|
|
|
|
|
|
|
|
|
|
|
|
|
|
|
|
|
|
|
|
|
|
|
|
|
|
|
|
|
|
|
|
|
|
|
|
|
|
|
|
|
|
|
|
|
|
|
|
|
|
|
|
|
|
|
|
|
|
|
|
|
|
|
|
クイック・リファレンス ドキュメンテーションの種類
5 ドキュメント
コンパクトリスト
セキュアファイルの読み込み中、しばらくお待ちください。
4 エンジニアリング・サービス
There are no results for this selection.
この製品をサポートするその他のパートナー製品を見つけるには、当社の Web サイトにアクセスしてください パートナーマーケットプレイス.