NXP GreenChip
This product is part of the NXP GreenChip portfolio, this program optimizes for energy efficiency in mobile and computing applications, specializing in high-power density, safety and reliability.
お客様の素早い設計とより早い製品化を実現する、技術情報と専門知識をご紹介します。
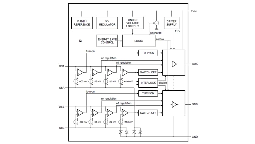
The TEA2095T/TE is a high performance synchronous rectifier (SR) controller IC for switch mode power supplies.
This SR controller incorporates an adaptive gate drive method to save the maximum amount of energy at any load. To increase efficiency, the TEA2095T/TE can operate at 90μA with a -25 mV regulation level, which optimizes functionality for use with low-ohmic MOSFETs.
TEA2095T/TE’s undervoltage lockout (UVLO) protection allows devices to remain fully functional when supply voltage is below the minimum operating voltage and ensures the device stays off when voltage is below the UVLO threshold. This feature enhances overall system performance and increases efficiency.
Our product has two driver stages to drive SR MOSFETs, which rectify the outputs of the central tap secondary transformer windings. The two gate driver stages operate independently and come with differential inputs that sense the SR MOSFET’s drain and source voltages.
The TEA2095T/TE is optimally used in resonant power supplies for servers, PCs, TVs, adapters, and other switch mode power supplies.
This product is part of the NXP GreenChip portfolio, this program optimizes for energy efficiency in mobile and computing applications, specializing in high-power density, safety and reliability.
Participating products are available for a minimum of 10 years. Designated participating products developed for the automotive, telecom and medical segments are available for a minimum of 15 years.
|
|
|
|
|
|
|
|---|---|---|---|---|---|
|
|
|
|
|
|
|
|
|
|
|
|
|
|
|
|
|
|
|
|
|
|
|
|
|
|
|
|
|
|
|
|
|
|
|
|
|
|
|
|
|
|
|
|
|
|
|
|
|
|
|
|
|
|
|
|
|
|
|
|
|
|
|
|
|
|
|
|
|
|
クイック・リファレンス ドキュメンテーションの種類
9 ドキュメント
コンパクトリスト
セキュアファイルの読み込み中、しばらくお待ちください。
1 ハードウェア提供

この製品をサポートするその他のパートナー製品を見つけるには、当社の Web サイトにアクセスしてください パートナーマーケットプレイス.
クイック・リファレンス ソフトウェア・タイプ.
セキュアファイルの読み込み中、しばらくお待ちください。