
Resonant Power Supply Control IC
お客様の素早い設計とより早い製品化を実現する、技術情報と専門知識をご紹介します。
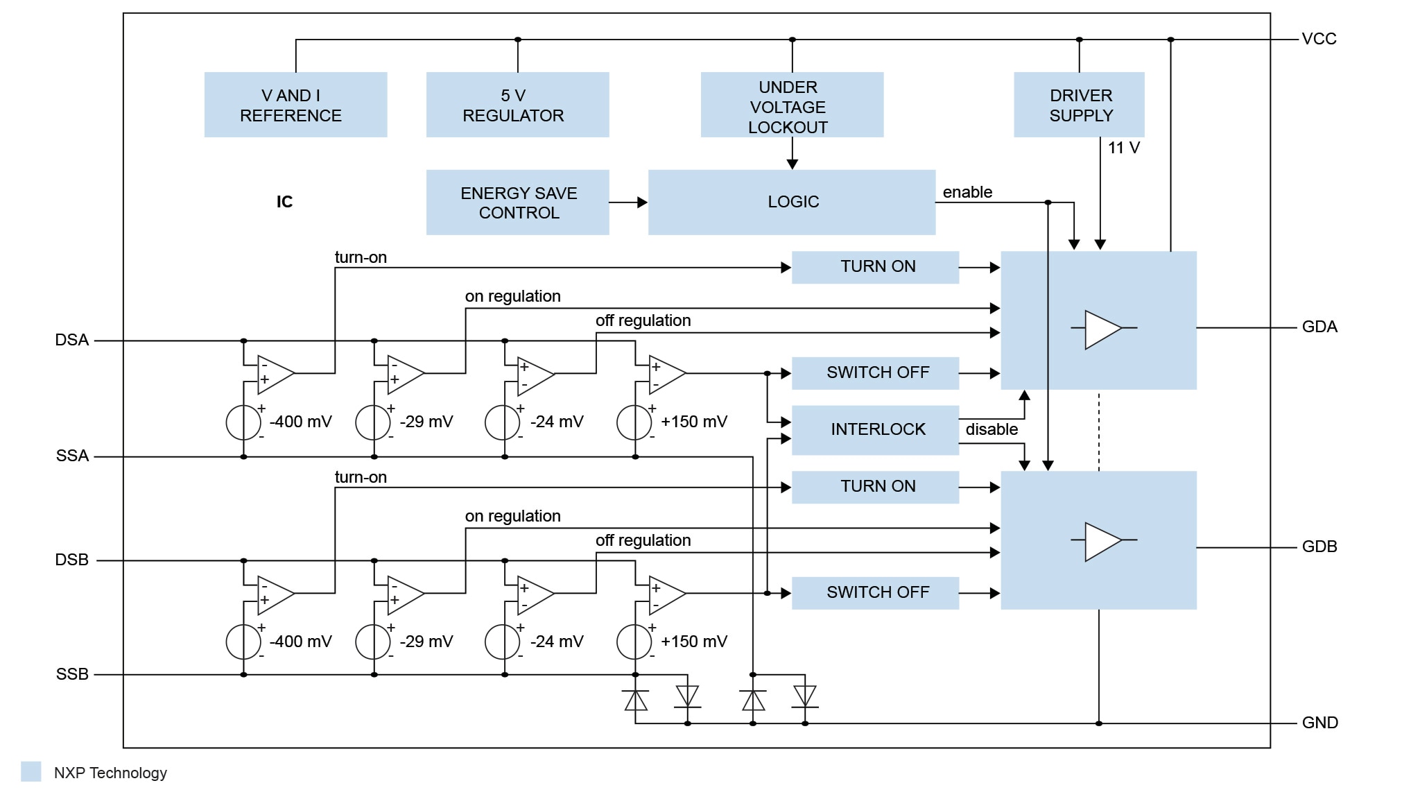
The TEA2096T is a new synchronous rectifier (SR) controller IC for switched-mode power supplies. It incorporates an adaptive gate drive method for maximum efficiency at any load.
The TEA2096T is a dedicated controller IC for synchronous rectification on the secondary side of resonant converters. It has two driver stages for driving the SR MOSFETs, which rectify the outputs of the central tap secondary transformer windings. The two gate driver stages have their own sensing inputs and operate independently. The TEA2096T is optimized for efficient operation with very low-ohmic MOSFETs and switching at high frequencies. The TEA2096T is fabricated in a silicon-on-insulator (SOI) process.
The TEA2095T/TE is optimally used in resonant power supplies for servers, PCs, TVs, adapters and other switch mode power supplies.

GreenChip Dual Synchronous Rectifier (SR) Controller
PFC Controller
|
|
|
|
|
|
|
|---|---|---|---|---|---|
|
|
|
|
|
|
|
|
|
|
|
|
|
|
|
|
|
|
|
|
|
|
|
|
|
|
|
|
|
|
|
|
|
|
|
|
|
|
|
|
|
|
|
|
|
|
|
|
|
|
|
|
|
|
|
|
|
|
|
|
|
|
|
|
|
|
|
|
|
|
クイック・リファレンス ソフトウェア・タイプ.
セキュアファイルの読み込み中、しばらくお待ちください。