アプリケーション・ノート (1)
データ・シート (1)
-
GreenChip synchronous rectifier controller[TEA1791AT]
お客様の素早い設計とより早い製品化を実現する、技術情報と専門知識をご紹介します。
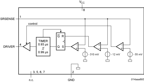
The TEA1791AT is a member of the new generation of Synchronous Rectifier (SR) controller ICs for switched mode power supplies. Its high level of integration allows the design of a cost-effective power supply with a very low number of external components. The TEA1791AT is a controller IC dedicated to synchronous rectification on the secondary side of discontinuous conduction mode and quasi-resonant flyback converters. The TEA1791AT is fabricated in a Silicon On Insulator (SOI) process.
|
|
|
|
|
|
|
|---|---|---|---|---|---|
|
|
|
|
|
|
|
|
|
|
|
|
|
|
|
|
|
|
|
|
|
|
|
|
|
|
|
|
|
|
|
|
|
|
|
|
|
|
|
|
|
|
|
|
|
|
|
|
|
|
|
|
|
|
|
|
|
|
|
|
|
|
|
|
|
|
|
|
|
|
クイック・リファレンス ドキュメンテーションの種類
3 ドキュメント
コンパクトリスト
セキュアファイルの読み込み中、しばらくお待ちください。
2 ハードウェア提供


2 ハードウェア提供


この製品をサポートするその他のパートナー製品を見つけるには、当社の Web サイトにアクセスしてください パートナーマーケットプレイス.