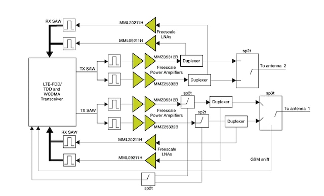
RF Module for BSC913x Boards

画像にカーソルを合わせると拡大表示されます。

製品詳細

対応製品

プロセッサ&マイクロコントローラ

Qonvergeプラットフォーム

RF

ワイヤレスインフラストラクチャ用LNA

Features

Wireless

  • Dual RF receivers for 2x2 LTE system
  • Dual RF transmitters for 2x2 LTE system
  • Supports all LTE bands and bandwidths
  • Supports all WCDMA (HSPA+) bands on a single antenna port
  • Modulation schemes up to 64 QAM
  • 2x2 MIMO on a single card
  • Dual-band operation on a single card
  • FDD and TDD versions
  • Flexible RF card architecture enables various band combinations
  • Supports bandwidth from 1.4 MHz to 20 MHz with maximum TX output power of +13 dBm

ドキュメント

クイック・リファレンス ドキュメンテーションの種類

1 ドキュメント

コンパクトリスト

設計・リソース

ソフトウェア

クイック・リファレンス ソフトウェア・タイプ.

1 ソフトウェア提供

サポート

お困りのことは何ですか??