P1022 Reference Design Kit (RDK)

製品詳細

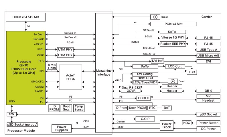
ブロック図

P1022RDK BD

P1022-RDK System Block Diagram

Features

Processor

  • Dual-core Power Architecture® e500 cores up to 1000 MHz
  • Bootable 4-bit SD/MMC port
  • 0ºC to +70ºC operation with supplied passive heat sink

Memory

  • 512 MB 64-bit DDR3-667 memory
  • 8 MB SPI serial flash memory for boot loader
  • MicroSD port for booting and data storage

Connectivity

  • 2 10/100/1000 Gigabit Ethernet Ports
  • 2 USB 2.0 ULPI PHYs (one host, one OTG)
  • DVI interface
  • x4 PCI Express® slot (physical) supporting up to x4 lane width
  • SATA connector for optional HDD or SSD
  • Two serial ports
  • Standard 16-pin JTAG header supporting Power Architecture technology

Power Management

  • Battery backed up RTC
  • Small form factor enclosure with power supply and power cord

Audio

  • Wolfson audio codec headphone out and microphone in

Components

  • Configuration DIP switches and debug LEDs

Support

  • Quick start guide, user’s guide, hardware reference manual, schematics, bill of materials (BOM) and Linux source code
  • MicroSD card with firmware, Linux® OS, and root file system preinstalled

ドキュメント

クイック・リファレンス ドキュメンテーションの種類

2 ドキュメント

コンパクトリスト

設計・リソース

セクションを選択:

Related Hardware

クイック・リファレンス ボードタイプ.

1 ハードウェア提供

ソフトウェア

クイック・リファレンス ソフトウェア・タイプ.

1 ソフトウェア・ファイル

注: より快適にご利用いただくために、ソフトウェアのダウンロードはデスクトップで行うことを推奨します。

トレーニング

1 トレーニング

サポート

お困りのことは何ですか??