ISO K-LINEシリアル・リンク・インターフェース

製品画像を見る

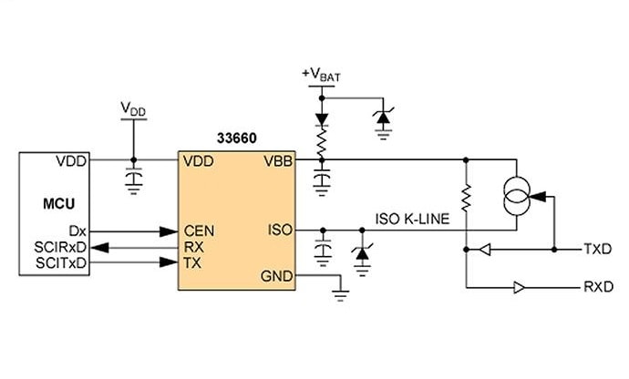
ブロック図

MC33660の簡略版アプリケーション図

MC33660 Simplified Application Drawing

特長

主な特長

  • 広い動作電源電圧範囲:8.0~18 V
  • 動作温度範囲:-40~125°C
  • 標準的なCMOSマイクロプロセッサと直接接続
  • バッテリー短絡保護機能を備えたISO K-LINEピン
  • ヒステリシス付きサーマル・シャットダウン
  • 大電流対応のISO K-LINEピン
  • ISO K-LINEは最大10 nFの寄生容量で駆動可能
  • 最低限の追加コンポーネントで8.0 kVのESD保護を実現
  • スタンバイ・モード:5.0 VのVDDでVBAT電流ドレインなし
  • VDDが5.0 Vの動作時における低電流ドレイン

購入/パラメータ










































































































ドキュメント

クイック・リファレンス ドキュメンテーションの種類

2 ドキュメント

コンパクトリスト

デザイン・ファイル

ハードウェア

クイック・リファレンス ボードタイプ.

1 ハードウェア提供

エンジニアリング・サービス

2 エンジニアリング・サービス

この製品をサポートするその他のパートナー製品を見つけるには、当社の Web サイトにアクセスしてください パートナーマーケットプレイス.

サポート

お困りのことは何ですか??