FlexRay™ノード・トランシーバ - クランプ30

製品画像を見る

製品詳細

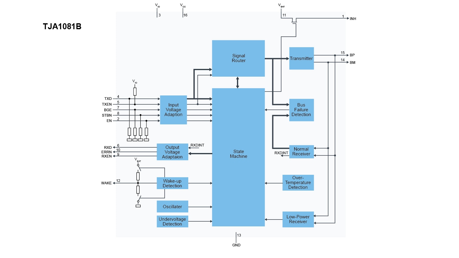
ブロック図

TJA1081Bのブロック図

TJA1081B Block Diagram

特長

時間トリガ型通信システム向けに最適化

  • FlexRay電気物理層仕様V3.0.1に準拠
  • 「バス・ドライバ - 増加電圧振幅トランスミッタ」機能クラスに記述されるJASPAR固有の要件に準拠
  • AEC-Q100に準拠したオートモーティブ製品認定
  • 2.5 Mbit/s~10 Mbit/sのデータ転送レート
  • 差動入力電圧400 mVで最小ビット時間60 nsをサポート
  • 非常に低い電磁放射(Electromagnetic Emission:EME)でシールドなしケーブルをサポートし、最新の業界標準に準拠
  • 差動レシーバは広いコモンモード範囲で高い電磁耐性(Electromagnetic Immunity:EMI)を持ち、最新の業界標準に準拠
  • ホスト・コントローラの供給電圧VIOに対してI/Oレベルを自動的に適応
  • 14 V、24 V、48 V電源のシステムで使用可能
  • トランスミッタの即時シャットダウン用インターフェース(BGEピン経由)
  • VBAT、VCC、VIOの各電源を独立して立ち上げ

低消費電力管理

  • インヒビット・スイッチを含む低消費電力管理
  • 超低消費電流のスリープ・モードおよびスタンバイ・モード
  • VBAT動作範囲:4.75 V~60 V
  • ギャップ・フリー仕様
  • ローカルおよびリモートのウェイクアップ
  • 専用のデータ・フレームを介したリモート・ウェイクアップをサポート
  • ウェイクアップ・ソース認識

診断(検出とシグナリング)

  • VBAT、VCC、VIOの電源監視を強化
  • 過熱検出
  • バス・ラインの短絡検出
  • VBATパワーオン・フラグ(最初のバッテリー接続とコールド・スタート)
  • TXENピンでのクランプ診断
  • BGE状態のフィードバック

保護

  • IEC61000-4-2およびHBMに準拠した±6kV ESDパルスに対するバス・ピン保護
  • IEC61000-4-2に準拠した±6kV ESDパルスに対するVBATピンとWAKEピンの保護
  • 車載環境での過渡電圧に対するバス・ピン保護(ISO 7637クラスCに準拠)
  • バッテリー電圧(14 V、24 V、48 V)およびグランドへの短絡に対するバス・ピン保護
  • VBAT、VCC、またはVIOピンに低電圧が発生した場合のフェイル・サイレント動作
  • トランシーバの電源が入っていない間のバス・ラインのパッシブ動作
  • トランシーバの電源が入っていない場合にデジタル入力ピンからVIOまたはVCCへの逆電流なし

FlexRay電気物理層仕様による機能クラス

  • バス・ドライバ - 電圧レギュレータ制御
  • バス・ドライバ - バス・ガーディアン・インターフェース
  • バス・ドライバ - ロジック・レベル適応
  • バス・ドライバ - リモート・ウェイクアップ
  • バス・ドライバ - 増加電圧振幅トランスミッタ (JASPAR)

長期製品供給プログラム

  • この製品は、お客様の組込み設計に使用される製品の安定供給を保証するNXP長期製品供給プログラムの対象となっています。TJA1081GTS/0Zは15年間のプログラムの対象です。

購入/パラメータ










































































































ドキュメント

クイック・リファレンス ドキュメンテーションの種類

7 ドキュメント

コンパクトリスト

サポート情報 (1)
データ・シート (1)
パッケージ情報 (2)
ホワイト・ペーパ (1)
レポートまたはプレゼンテーション (1)

デザイン・ファイル

ハードウェア

クイック・リファレンス ボードタイプ.

サポート

お困りのことは何ですか??