Product Longevity
Participating products are available for a minimum of 10 years. Designated participating products developed for the automotive, telecom and medical segments are available for a minimum of 15 years.
お客様の素早い設計とより早い製品化を実現する、技術情報と専門知識をご紹介します。
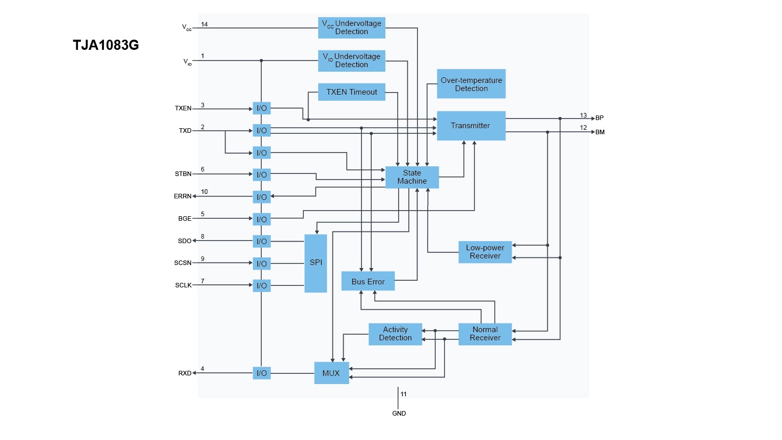
The TJA1083G FlexRay™ node transceiver is compliant with the FlexRay Electrical Physical Layer specification ISO 17458-4:2013. The TJA1083G is a Clamp 15 transceiver, optimized for applications that are switched off by the ignition key. It is primarily intended for communication systems operating at between 2.5 Mbit/s and 10 Mbit/s and provides an advanced interface between the protocol controller and the physical bus in a FlexRay network.

Participating products are available for a minimum of 10 years. Designated participating products developed for the automotive, telecom and medical segments are available for a minimum of 15 years.
|
|
|
|
|
|
|
|---|---|---|---|---|---|
|
|
|
|
|
|
|
|
|
|
|
|
|
|
|
|
|
|
|
|
|
|
|
|
|
|
|
|
|
|
|
|
|
|
|
|
|
|
|
|
|
|
|
|
|
|
|
|
|
|
|
|
|
|
|
|
|
|
|
|
|
|
|
|
|
|
|
|
|
|
クイック・リファレンス ドキュメンテーションの種類
2 ドキュメント
コンパクトリスト
セキュアファイルの読み込み中、しばらくお待ちください。