FlexRay Transceiver

製品画像を見る

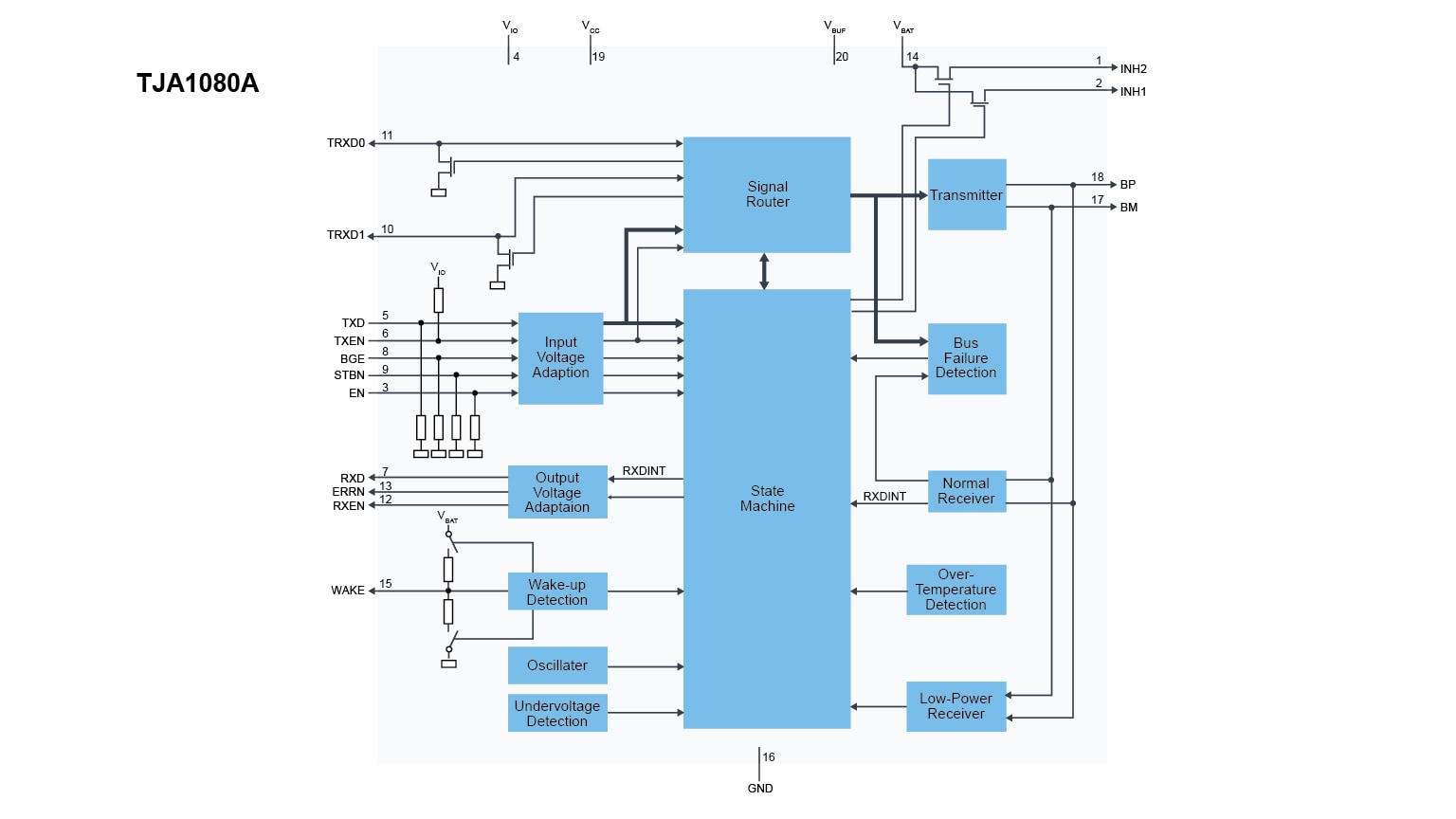
ブロック図

TJA1080A Block Diagram

TJA1080A Block Diagram

Features

Optimized for Time Triggered Communication Systems

  • Compliant with FlexRay electrical physical layer specification V 2.1 Rev. A
  • Automotive product qualification in accordance with AEC-Q100
  • Data transfer up to 10 Mbit/s
  • Support of 60 ns minimum bit time
  • Very low EME to support unshielded cable
  • Differential receiver with high common-mode range for Electro-Magnetic Immunity (EMI)
  • Auto I/O level adaptation to host controller supply voltage VIO
  • Can be used in 14 V and 42 V powered systems
  • Instant shut-down interface (via BGE pin)
  • Independent power supply ramp-up for VBAT, VCC and VIO
  • Transceiver can be used for linear passive bus topologies as well as active star topologies

Low Power Management

  • Low power management including two inhibit switches
  • Very low current in Sleep and Standby modes
  • Local and remote wake-up
  • Supports remote wake-up via dedicated data frames
  • Wake-up source recognition
  • Automatic power-down (in Star-sleep mode) in star configuration

Diagnosis (detection and signalling)

  • Over-temperature detection
  • Short-circuit on bus lines
  • VBAT power-on flag (first battery connection and cold start)
  • Pin TXEN and pin BGE clamping
  • Under-voltage detection on pins VBAT, VCC and VIO
  • Wake source indication

Protection

  • Bus pins protected against 8 kV HBM ESD pulses
  • Bus pins protected against transients in automotive environment (according to ISO 7637 class C)
  • Bus pins short-circuit proof to battery voltage (14 V and 42 V) and ground
  • Fail-silent behavior in case of an under-voltage on pins VBAT, VCC or VIO
  • Passive behavior of bus lines in the event that transceiver is not powered

Functional Classes According to FlexRay Electrical Physical Layer Specification

  • Bus driver - voltage regulator control
  • Bus driver - bus guardian control interface
  • Bus driver - logic level adaptation
  • Active star - communication controller interface
  • Active star - bus guardian interface
  • Active star - voltage regulator control

購入/パラメータ










































































































ドキュメント

クイック・リファレンス ドキュメンテーションの種類

5 ドキュメント

コンパクトリスト

サポート情報 (1)
データ・シート (1)
パッケージ情報 (1)
レポートまたはプレゼンテーション (1)

デザイン・ファイル

サポート

お困りのことは何ですか??