3-Phase Brushless Motor Pre-Driver

画像にカーソルを合わせると拡大表示されます。

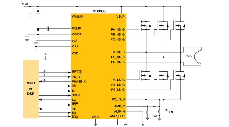
ブロック図

3-Phase Brushless Motor Pre-Driver

GD3000 Block Diagram

Features

Key Features

  • Fully specified from 8 to 40 V covers 12 and 24 V automotive systems
  • Extended operating range from 6 to 60 V covers 12 and 48 V systems
  • Greater than 1 A gate drive capability with protection
  • Protection against reverse charge injection from CGD and CGS of external FETs
  • Includes a charge pump to support full FET drive at low battery voltages
  • Deadtime is programmable via the SPI port
  • Simultaneous output capability enabled via safe SPI command
  • Temperature: -40 to 125 °C, -20 to 105 °C
  • Extended supply voltage operating range: 6 to 60 V
  • Wide dead time range (50 ns to 12 μs) programmable via the SPI port
  • External FET gate drive capability of >1 A with protection
  • Charge pump ensures sufficient external FET drive at low supply voltages
  • Device protection against reverse charge-injection from CGD and CGS of external FETS
  • Integrated overcurrent, desaturation, and phase fault-detection
  • Immunity against positive or negative transient voltage spikes on the gate driver
  • Current shoot-through protection built into dead time control
  • Supports direct 3.3 V and 5 V logic interface to MCUs
  • Integrated current sensing amplifier
  • Device configuration and diagnostics through the SPI
  • Parallel and SPI Interface and Input Controllers

購入/パラメータ










































































































ドキュメント

クイック・リファレンス ドキュメンテーションの種類

7 ドキュメント

コンパクトリスト

アプリケーション・ノート (2)
エンジニアリング・ブリテン (1)
セレクタ・ガイド (1)
データ・シート (2)
レポートまたはプレゼンテーション (1)

デザイン・ファイル

ハードウェア

クイック・リファレンス ボードタイプ.

1-5 件/全 24 ハードウェア提供

全て表示

ソフトウェア

クイック・リファレンス ソフトウェア・タイプ.

2 ソフトウェア・ファイル

注: より快適にご利用いただくために、ソフトウェアのダウンロードはデスクトップで行うことを推奨します。

トレーニング

1 トレーニング

サポート