3-Phase Field Effect Transistor Pre-Driver

画像にカーソルを合わせると拡大表示されます。

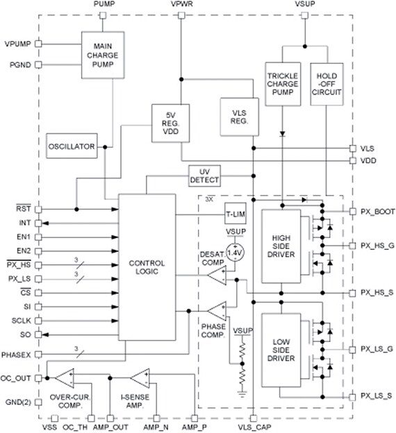
ブロック図

MC34937 Power Actuation

MC34937 Power Actuation Block Diagram

Features

Key Features

  • Fully specified from 8.0 to 40 V covers 12 and 24 V automotive systems
  • Extended operating range from 6.0 to 58 V covers 12 and 42 V systems
  • Greater than 1.0 A gate drive capability with protection
  • Protection against reverse charge injection from CGD and CGS of external FETs
  • Includes a charge pump to support full FET drive at low battery voltages
  • Deadtime is programmable via the SPI port
  • Load current(IL) 1 A (Typ)
  • 6 channels
  • Drain-to-source on resistance 5500 mOhm RDS(ON) (Typ)
  • Parallel and SPI Interface and Input Controllers

Product Longevity Program

  • This product is included in the NXP Product Longevity Program ensuring a stable supply of products for your embedded designs. The MC33937 is included in the 15-year program

購入/パラメータ










































































































ドキュメント

クイック・リファレンス ドキュメンテーションの種類

10 ドキュメント

コンパクトリスト

アプリケーション・ノート (2)
エラッタ (1)
エンジニアリング・ブリテン (2)
セレクタ・ガイド (2)
データ・シート (1)
ユーザ・ガイド (2)

デザイン・ファイル

ハードウェア

クイック・リファレンス ボードタイプ.

1-5 件/全 17 ハードウェア提供

全て表示

ソフトウェア

クイック・リファレンス ソフトウェア・タイプ.

3 ソフトウェア・ファイル

注: より快適にご利用いただくために、ソフトウェアのダウンロードはデスクトップで行うことを推奨します。

エンジニアリング・サービス

2 エンジニアリング・サービス

この製品をサポートするその他のパートナー製品を見つけるには、当社の Web サイトにアクセスしてください パートナーマーケットプレイス.

サポート

お困りのことは何ですか??