Kinetis® KL2x-72/96 MHz, USB Ultra-Low-Power Microcontrollers (MCUs) based on Arm® Cortex®-M0+ Core
デザイン・ファイル
完全な内訳を受け取ります。 製品の設置面積などについては、 eCad ファイル.
お客様の素早い設計とより早い製品化を実現する、技術情報と専門知識をご紹介します。
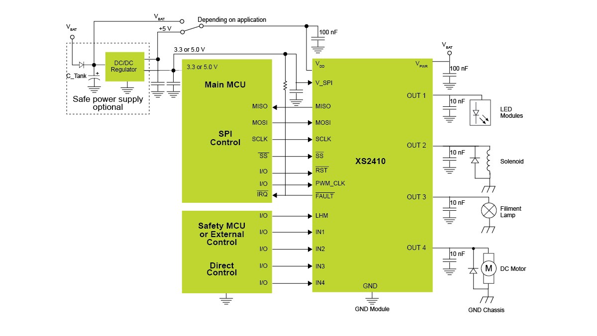
The MC33XS2410 is a four channel self-protected high-side switch. Featuring advanced digital monitoring and control function, the device is operational from 3.0 V to 60 V. As a result of high-level integration, the embedded 12-bit analog-to-digital converter enables a drastically simplified hardware design and MCU software control.
This product has been qualified to the appropriate automotive electronics council (AEC) standard Q100 and is suitable for use in automotive applications.
The device is controlled by SPI port for configuration, monitoring and diagnostics of the outputs. Whenever communication with the MCU is lost, the device enters a safe operation mode, but remains operational, controllable and protected.

|
|
|
|
|
|
|
|---|---|---|---|---|---|
|
|
|
|
|
|
|
|
|
|
|
|
|
|
|
|
|
|
|
|
|
|
|
|
|
|
|
|
|
|
|
|
|
|
|
|
|
|
|
|
|
|
|
|
|
|
|
|
|
|
|
|
|
|
|
|
|
|
|
|
|
|
|
|
|
|
|
|
|
|
クイック・リファレンス ドキュメンテーションの種類
2 ドキュメント
コンパクトリスト
セキュアファイルの読み込み中、しばらくお待ちください。
4 ハードウェア提供




クイック・リファレンス ソフトウェア・タイプ.
1 ソフトウェア・ファイル
注: より快適にご利用いただくために、ソフトウェアのダウンロードはデスクトップで行うことを推奨します。
セキュアファイルの読み込み中、しばらくお待ちください。