ドキュメント (1)
ユーザ・ガイド (8)
-
FlexGUI for Q100 v1.0.0 - User Guide[UM11301]
-
KITPF8200FRDMPGM programming board[UM11162]
お客様の素早い設計とより早い製品化を実現する、技術情報と専門知識をご紹介します。
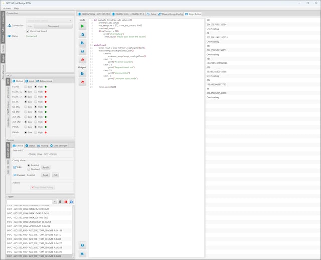
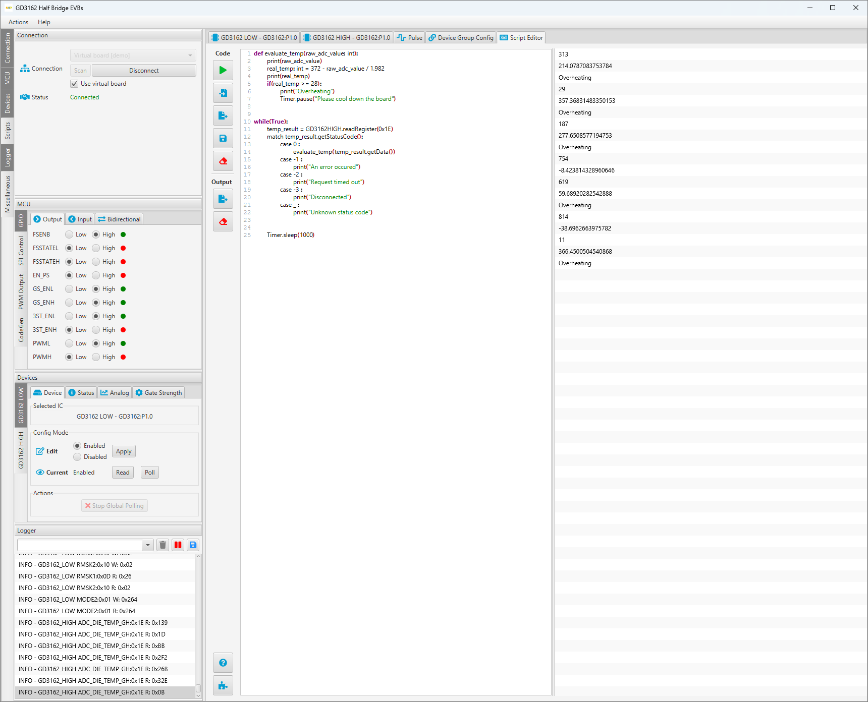
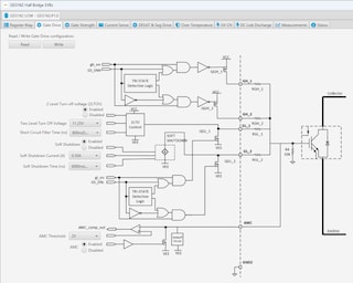
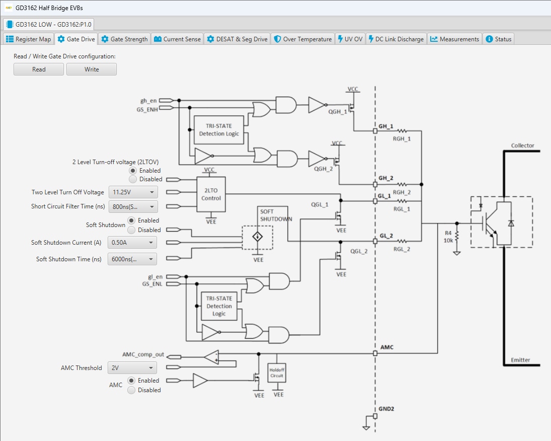
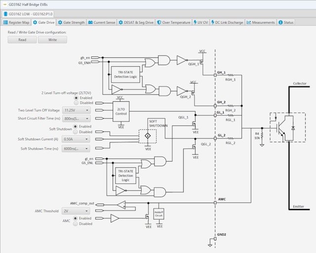
FlexGUI is a Graphical User Interface (GUI) software tool enabling easy and intuitive configuration and control of analog ICs on their evaluation boards (EVBs). It uses a USB port to interface with the evaluation boards. These boards include a small MCU to interface with the analog ICs via standard peripherals such as SPI, I²C, CAN, GPIO, ADC or timers.
FlexGUI based application supports several different ICs, which can be selected via the application launcher at startup. For each selected IC is available register map view for direct access, scripting environment and components for configuration and monitoring of functional blocks.
FlexGUI embedded Python 3 interpreter enables user to create custom scripts for specific use cases. Analog ICs and MCU are injected into the environment as singleton objects offering API for interaction with the HW. Additionally, user can leverage any Python language statements, built-in functions and types.
1-5 件/全 12 ダウンロード
注: より快適にご利用いただくために、ソフトウェアのダウンロードはデスクトップで行うことを推奨します。
セキュアファイルの読み込み中、しばらくお待ちください。
クイック・リファレンス ドキュメンテーションの種類
9 ドキュメント
コンパクトリスト
セキュアファイルの読み込み中、しばらくお待ちください。
1-5 件/全 37 ハードウェア提供



































