アプリケーション・ノート (1)
カタログ (1)
データ・シート (1)
-
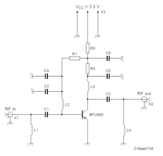
NPN wideband silicon RF transistor[BFU690F]
お客様の素早い設計とより早い製品化を実現する、技術情報と専門知識をご紹介します。
NPN silicon microwave transistor for high speed, low noise applications in a plastic, 4-pin dual-emitter SOT343F package.

|
|
|
|
|
|
|
|---|---|---|---|---|---|
|
|
|
|
|
|
|
|
|
|
|
|
|
|
|
|
|
|
|
|
|
|
|
|
|
|
|
|
|
|
|
|
|
|
|
|
|
|
|
|
|
|
|
|
|
|
|
|
|
|
|
|
|
|
|
|
|
|
|
|
|
|
|
|
|
|
|
|
|
|
クイック・リファレンス ドキュメンテーションの種類
5 ドキュメント
コンパクトリスト
セキュアファイルの読み込み中、しばらくお待ちください。