スリープ・モード対応のCANシグナル改善機能トランシーバ

画像にカーソルを合わせると拡大表示されます。

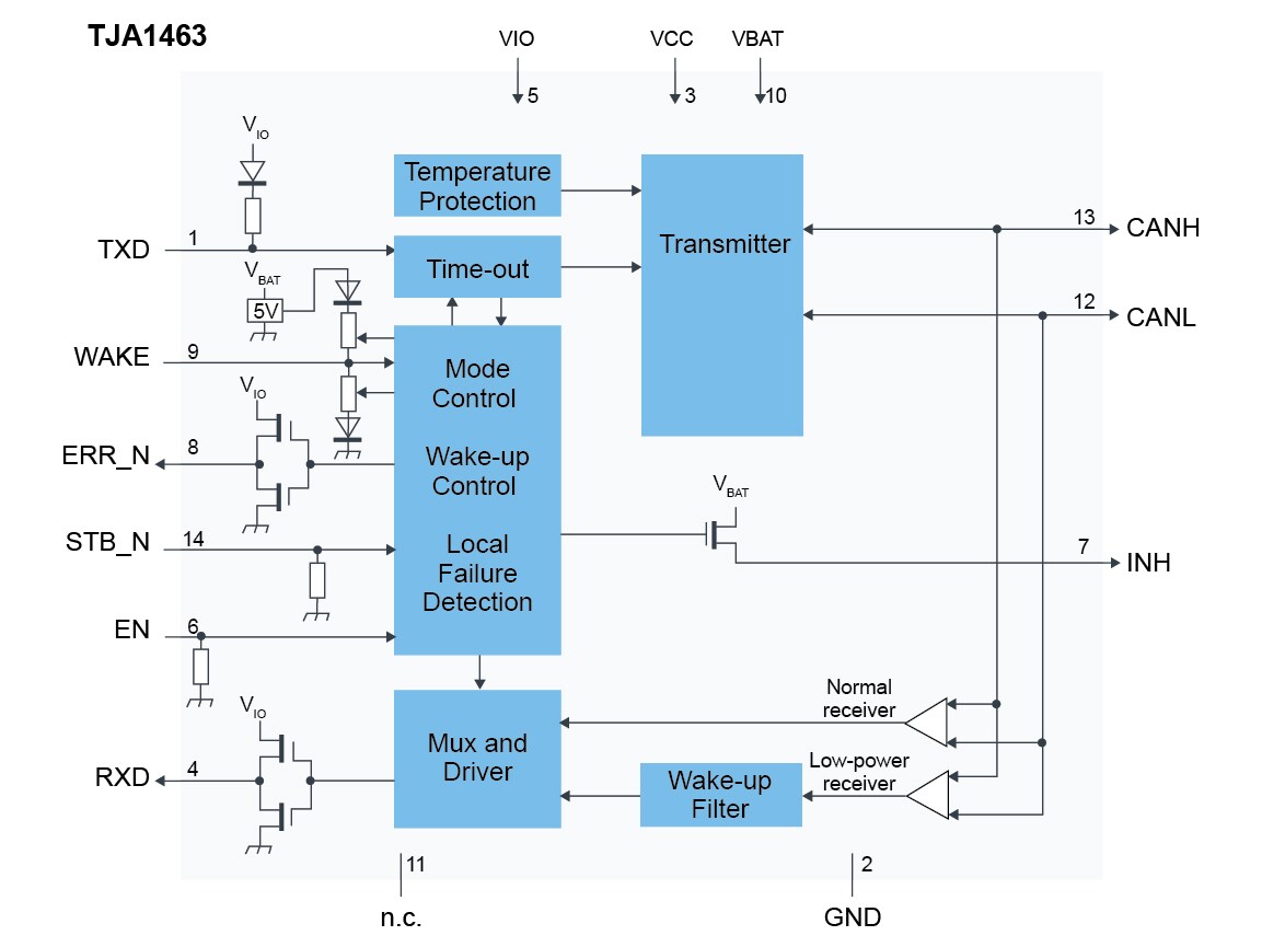
ブロック図

TJA1463のブロック図

TJA1463 Block Diagram

特長

一般的な機能

  • ISO 11898-2:2024、SAE J2284-1~SAE J2284-5およびSAE J1939-14に準拠
  • 最大8 Mbit/sのCAN FD通信
  • 3.3 V~5 Vのマイクロコントローラに対応するVIO入力
  • 低い電磁放射(Electromagnetic Emission:EME)と高い電磁耐性(Electromagnetic Immunity:EMI)
  • AEC-Q100グレード1に準拠
  • SO14パッケージとリードレスHVSON14パッケージで提供

シグナル改善

  • CiA 601-4で定義されるCANシグナル改善機能を実装し、ネットワーク上の信号リンギング効果を大幅に低減
  • ビット・タイミングの対称性が向上し、信号リンギング低減のための時間をより長く確保

予測可能なフェイルセーフ動作

  • すべての電源ピンで定義済みの処理を行う低電圧検出
  • 低電圧検出のしきい値から最大制限電圧値までの範囲で完全な機能を保証
  • 低電圧検出しきい値以下での定義済み動作
  • 供給電圧がオフ・モードのしきい値を下回るとトランシーバをバスから切断(高オーミック)
  • TXDおよびモード選択入力ピンの内部バイアスにより、定義済みのフェイルセーフ動作を実現

購入/パラメータ










































































































ドキュメント

クイック・リファレンス ドキュメンテーションの種類

1 ドキュメント

コンパクトリスト

デザイン・ファイル

ハードウェア

クイック・リファレンス ボードタイプ.

1-5 件/全 18 ハードウェア提供

全て表示

エンジニアリング・サービス

3 エンジニアリング・サービス

この製品をサポートするその他のパートナー製品を見つけるには、当社の Web サイトにアクセスしてください パートナーマーケットプレイス.

トレーニング

1 トレーニング

サポート

お困りのことは何ですか??