6 Output Switch, SPI, Parallel Input Control

画像にカーソルを合わせると拡大表示されます。

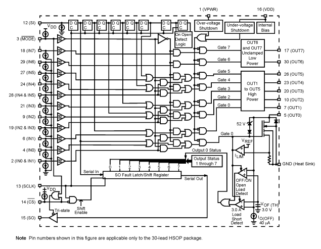
ブロック図

6 Output Switch, SPI, Parallel Input Control

NXP<sup>&#174;</sup> MC33882 Internal Block Diagram

Features

General

  • Outputs clamped for switching inductive loads
  • Very low operational bias currents (< 2.0 mA)
  • CMOS input logic compatible with 5.0 V logic levels
  • Robust load dump (60 V transient at VPWR on OUT0 - OUT5)
  • Daisy chain operation of multiple devices possible
  • Switch outputs can be paralleled for higher currents
  • RDS(ON) of 0.4 Ω per output (25 °C) at 13 V VPWR
  • SPI operation guaranteed to 2.0 MHz
  • Load current(IL) 1 A (Typ)
  • 6 channels
  • Load supply voltage min. 0 V, max. 52 V
  • SPI Interface and Input Controller

購入/パラメータ










































































































ドキュメント

クイック・リファレンス ドキュメンテーションの種類

4 ドキュメント

コンパクトリスト

アプリケーション・ノート (2)
データ・シート (1)
製品変更のお知らせ (1)

デザイン・ファイル

ハードウェア

クイック・リファレンス ボードタイプ.

エンジニアリング・サービス

4 エンジニアリング・サービス

この製品をサポートするその他のパートナー製品を見つけるには、当社の Web サイトにアクセスしてください パートナーマーケットプレイス.

サポート

お困りのことは何ですか??