お客様の素早い設計とより早い製品化を実現する、技術情報と専門知識をご紹介します。
重要: このページには 当社の製品に関するセキュア情報が 記載されています サインイン 承認されたリソースにアクセスします。
重要: このページには当社製品に関する安全な情報が記載されています。
セキュア情報を表示する重要: セキュアなコンテンツを表示するには認証が必要です。
パスワードの再入力USB 2.0フルスピードデバイスコントローラは、NXP Semiconductorsのシリコン実証済みの技術を使用して構築された、高度に構成可能で合成可能なUSBコアです。
このコアは、コスト重視のアプリケーションで効率的なUSB実装を提供する極めて低いゲート数設計です。
USB側の標準USBトランシーバおよびシステム側のAMBA® AHBインタフェースと統合され、主要な組み込み型マイクロプロセッサーコアをすべてサポートします。

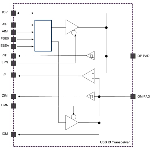
USB IOトランシーバは、TSMC 90LPおよび65LPプロセスで使用可能なCMOS IOセルです。USB規格リビジョン2.0(フルスピードおよびロースピードのみ、2000年4月27日)に準拠しています。
セルトランシーバは、ロジックCMOS信号をUSB対応の出力信号に変換し、その逆も可能です。このトランシーバは、データ転送レートのモードとして、ロースピードモード(1.5 Mbps)とフルスピードモード(12 Mbps)の2つをサポートしています。どちらのモードでも、出力信号レベルの振幅は外部電源電圧と等しくなります。
レシーバは、0.2V (0.8V < CMR < 2.5V)という小さな差動信号を検出することができます。これにより、ノイズのマージンが良くなり、堅牢な通信システムの構築に役立ちます。差動レシーバとは別に、このセルには2つのシングルエンドレシーバも含まれており、各レシーバは2つのデータラインに対応しています

USB 2.0高速デバイスコントローラは、NXP Semiconductorsのシリコン実証済みの技術を使用して構築された、高度に構成可能で合成可能なUSBコアです。
このコアは、コスト重視のアプリケーションで効率的なUSB実装を提供する極めて低いゲート数設計です。
USB側の標準UTMI準拠PHYまたはUSB ULPIトランシーバ、およびシステム側のAMBA® AHBインターフェイスと統合され、主要な組み込み型マイクロプロセッサーコアをすべてサポートします。

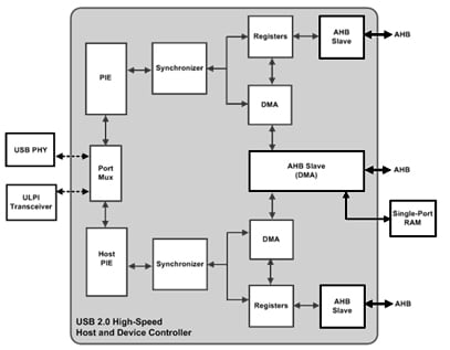
USB 2.0高速ホストおよびデバイスコントローラは、NXP Semiconductorsのシリコン実証済み技術を使用して構築された、高度に構成可能で合成可能なUSBコアです。
このコアは、コスト重視のアプリケーションで効率的なUSB実装を提供する極めて低いゲート数設計です。
USB側の標準UTMI準拠PHYまたはUSB ULPIトランシーバ、およびシステム側のAMBA® AHBインターフェイスと統合され、主要な組み込み型マイクロプロセッサーコアをすべてサポートします。



パートナーのSilvacoがUSB IPの配布を担当します。Silvacoは、アナログ/ミックスドシグナル、パワーIC、メモリ設計に使用されるソフトウェアツールの大手EDAプロバイダーです。
カリフォルニア州サンタクララに本社を置くSilvacoは、30年以上にわたり北米、ヨーロッパ、日本、アジアにオフィスを構え、TCAD、SPICE Modeling、PDK開発に迅速かつ低コストのサービスを提供しています。2016年6月にSilvacoはSemiconductor IP blocksベンダーのIPextremeを買収し、現在はSilvacoのIP部門(IPextremeブランドの下)となっています
USB IPはNXPが所有していますが、Silvacoを通じてパッケージ、販売、サポートされています
| 成果物 |
| VHDL RTLソースコード(Verilog on request) |
| テストスイートを備えたテストベンチ |
| ユーザーズガイドと統合ガイドを含むドキュメント |
| テクノロジーに依存しない統合の制約 |
| 該当する場合 |
| 行動モデル |
| フロントエンドおよびバックエンドのビュー |