Power Supply with Multiple Linear Regulators

  • このページには、製造中止(生産終了)となった製品の情報が記載されています。本ページに記載されている仕様および情報は、過去の参考情報です。

製品画像を見る

製品詳細

ブロック図

Power Supply with Multiple Linear Regulators

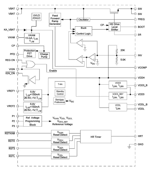
NXP<sup>&#174;</sup> MC33730 Power Actuation Block Diagram

Features

Key Features

  • Provides all regulated voltages for Our 32-bit and other microcontroller families and their logic and analog functions
  • Adjustable frequency switching buck regulator with slew-rate control
  • Power sequencing provided
  • Programmable voltages VDDL, VDD3 - 3% accuracy
  • Programmable standby regulator VKAM - 15% accuracy, operating down to 4.5 V at KA_VBAT pin
  • VDD3 can be programmed as an optional second standby regulator with 15% accuracy
  • Provides two 5.0 V protected supplies for sensors
  • Provides reverse battery protection FET gate drive
  • Provides necessary MCU monitoring and fail-safe support
  • 5 linear / LDO regulators
  • Single buck regulator
  • Supply voltage min. 4.5 V, max. 26.5 V
  • Output voltage 5 V
  • Output current 0.15 A

購入/パラメータ










































































































ドキュメント

クイック・リファレンス ドキュメンテーションの種類

6 ドキュメント

コンパクトリスト

アプリケーション・ノート (2)
エラッタ (1)
データ・シート (1)
ユーザ・ガイド (2)

デザイン・ファイル

ハードウェア

クイック・リファレンス ボードタイプ.

1-5 件/全 9 ハードウェア提供

全て表示

サポート

お困りのことは何ですか??