長期製品供給
対象製品には最低10年間の製品供給サポートが適用されます。自動車、通信、医療の各セグメント向けに開発された指定対象製品については、最低15年間の製品供給が保証されます。
お客様の素早い設計とより早い製品化を実現する、技術情報と専門知識をご紹介します。
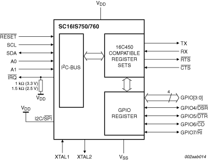
SC16IS740/750/760は、シングルチャネルの高性能UARTに対応するフォロワーI²Cバス/SPIインターフェースです。最大5 Mbit/sのデータ・レートで、低い動作電流とスリープ電流を保証します。また、SC16IS750およびSC16IS760は、8つのプログラマブルI/Oピンを追加でアプリケーションに提供します。このデバイスは、非常に小さなHVQFN24、TSSOP24 (SC16IS750/760)、TSSOP16 (SC16IS740) パッケージで供給されるため、ハンドヘルドのバッテリー駆動アプリケーションに最適です。この製品ファミリは、I²CバスまたはSPIからRS-232/RS-485へのシームレスなプロトコル変換を可能にし、完全に双方向です。
SC16IS760は、SC16IS750とは異なり、SPIクロック速度として最大15 Mbit/sをサポートし(SC16IS750は4 Mbit/s)、最大1.152 Mbit/sのIrDA SIRをサポートします。その他すべての点では、SC16IS760は機能的および電気的にSC16IS750と同一です。SC16IS740は、SC16IS750にのみ存在するプログラマブルI/Oピンを除いて、SC16IS750と機能的および電気的に同一です。
SC16IS740/750/760の内部レジスタ・セットは、広く普及している16C450と下位互換性があります。そのため、ソフトウェアを別のプラットフォームから簡単に書き込んだり移植したりできます。
SC16IS740/750/760は、ハードウェアおよびソフトウェアの自動フロー制御、自動RS-485サポート、ソフトウェア・リセットなどの高度な機能も備えています。これにより、ハードウェアのリセット信号とは独立に、ソフトウェアでいつでもUARTをリセットできます。
図を選択する。:
対象製品には最低10年間の製品供給サポートが適用されます。自動車、通信、医療の各セグメント向けに開発された指定対象製品については、最低15年間の製品供給が保証されます。
|
|
|
|
|
|
|
|---|---|---|---|---|---|
|
|
|
|
|
|
|
|
|
|
|
|
|
|
|
|
|
|
|
|
|
|
|
|
|
|
|
|
|
|
|
|
|
|
|
|
|
|
|
|
|
|
|
|
|
|
|
|
|
|
|
|
|
|
|
|
|
|
|
|
|
|
|
|
|
|
|
|
|
|
クイック・リファレンス ドキュメンテーションの種類
1-10 件/全 19 ドキュメント
コンパクトリスト
セキュアファイルの読み込み中、しばらくお待ちください。
2 設計・ファイル
完全な内訳を受け取ります。 製品の設置面積などについては、 eCad ファイル.
セキュアファイルの読み込み中、しばらくお待ちください。
2 ハードウェア提供


この製品をサポートするその他のパートナー製品を見つけるには、当社の Web サイトにアクセスしてください パートナーマーケットプレイス.
2 エンジニアリング・サービス
There are no results for this selection.
この製品をサポートするその他のパートナー製品を見つけるには、当社の Web サイトにアクセスしてください パートナーマーケットプレイス.