SC16IS750 SPI/I²C to UART Bridge Demo Board

ブロック図

SPI/I²C to UART Bridge Demo Board

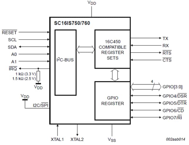
SC16IS750 Block diagram

対応製品

インターフェース

ブリッジ

Features

Key Features

  • Fully compatible with industrial standard 16C450 and equivalent
  • Baud rates up to 5 Mbit/s in 16x clock mode
  • Auto hardware flow control using RTS/CTS
  • Auto software flow control with programmable Xon/Xoff characters
  • Single or double Xon/Xoff characters
  • Transmitter and receiver can be enabled/disabled independent of each other
  • Industrial temperature range: -40 °C to +95 °C
  • RS-485 driver direction control via RTS signal
  • RS-485 driver direction control inversion
  • Up to eight programmable I/O pins (SC16IS750 and SC16IS760 only)
  • SC16IS750 supports IrDA SIR with speeds up to 115.2 kbit/s
  • SC16IS760 supports IrDA SIR with speeds up to 1.152 Mbit/s1
  • Line break generation and detection
  • Internal Loopback mode
  • Industrial and commercial temperature ranges
  • Receive and Transmit FIFO levels
  • Programmable special character detection
  • Fully programmable character formatting
    • 5-bit, 6-bit, 7-bit, or 8-bit character
    • Even, odd, or no parity
    • 1, 11V2, or 2 stop bits

Connectivity

  • Single full-duplex UART
  • Selectable I²C-bus or SPI interface
  • 64 bytes FIFO (transmitter and receiver)
  • Built-in IrDA encoder and decoder interface

Power Management

  • Sleep current less than 30 µA at 3.3 V
  • 3.3 V or 2.5 V operation

Support

  • Automatic RS-485 support (automatic follower address detection)
  • Software reset

Packages

  • HVQFN24
  • TSSOP24 (SC16IS750/760)
  • TSSOP16 (SC16IS740)

購入オプション

OM6270-Image

クリックして展開

OM6270
アクティブ

SC16IS750 SPI/I²C to UART Bridge Demo Board.

$165.00 USD
在庫あり :5
代理店からの注文

ドキュメント

クイック・リファレンス ドキュメンテーションの種類

2 ドキュメント

コンパクトリスト

サポート

お困りのことは何ですか??