デザイン・ファイル
完全な内訳を受け取ります。 製品の設置面積などについては、 eCad ファイル.
お客様の素早い設計とより早い製品化を実現する、技術情報と専門知識をご紹介します。
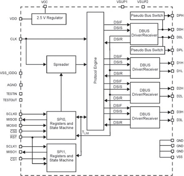
The NXP® MC33781 is a leader device for four differential DSI 2.02 buses that contains the logic to interface the buses to a standard SPI port and the analog circuitry to drive data and power over the bus, as well as receive data from the remote follower devices.

注: 製品の特徴を見るには、このウィンドウを閉じます。.
|
|
|
|
|
|
|
|---|---|---|---|---|---|
|
|
|
|
|
|
|
|
|
|
|
|
|
|
|
|
|
|
|
|
|
|
|
|
|
|
|
|
|
|
|
|
|
|
|
|
|
|
|
|
|
|
|
|
|
|
|
|
|
|
|
|
|
|
|
|
|
|
|
|
|
|
|
|
|
|
|
|
|
|
クイック・リファレンス ドキュメンテーションの種類
4 ドキュメント
コンパクトリスト
セキュアファイルの読み込み中、しばらくお待ちください。
2 エンジニアリング・サービス
There are no results for this selection.
この製品をサポートするその他のパートナー製品を見つけるには、当社の Web サイトにアクセスしてください パートナーマーケットプレイス.