アプリケーション・ノート (3)
サポート情報 (3)
-
Footprint for Wave Soldering[SO-SOJ-WAVE]
-
Footprint for reflow soldering[SO-SOJ-REFLOW]
-
Footprint for wave soldering[SSOP-TSSOP-VSO-WAVE]
データ・シート (1)
-
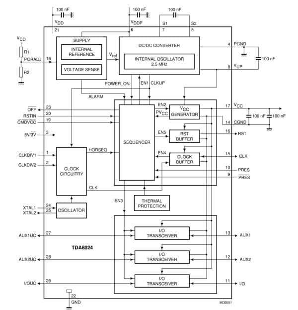
Standard smart card interface[TDA8024]
