
コンパクトリスト
お客様の素早い設計とより早い製品化を実現する、技術情報と専門知識をご紹介します。

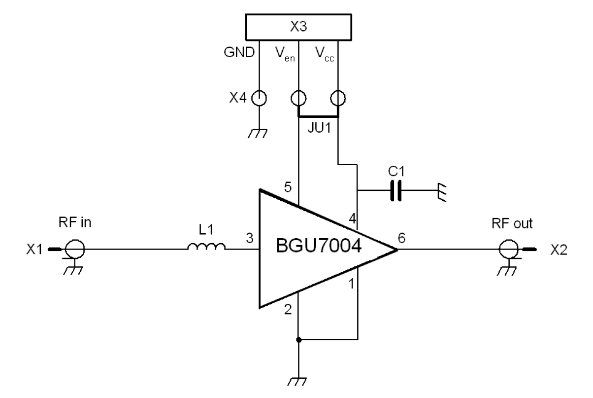
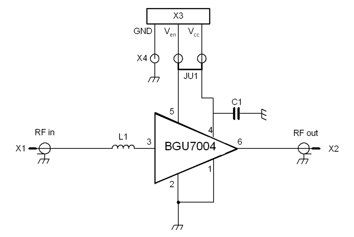
GPS low-noise amplifier evaluation board using BGU7004.
| 販売代理店 | 地域 | 在庫 | 在庫日 | 注文 |
|---|
Upon selection of a preferred distributor, you will be directed to their web site to place and service your order. Please be aware that distributors are independent businesses and set their own prices, terms and conditions of sale. NXP makes no representations or warranties, express or implied, about distributors, or the prices, terms and conditions of sale agreed upon by you and any distributor.
クイック・リファレンス ドキュメンテーションの種類
1 ドキュメント
コンパクトリスト
セキュアファイルの読み込み中、しばらくお待ちください。