アプリケーション・ノート (2)
カタログ (2)
データ・シート (1)
パッケージ情報 (2)
ユーザ・ガイド (3)
-
UM10323[UM10323]
お客様の素早い設計とより早い製品化を実現する、技術情報と専門知識をご紹介します。
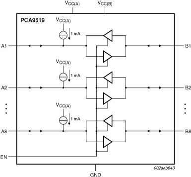
The PCA9519 is a 4-channel level translating I²C-bus/SMBus repeater that enables the processor low voltage 2-wire serial bus to interface with standard I²C-bus or SMBus I/O. While retaining all the operating modes and features of the I²C-bus system during the level shifts, it also permits extension of the I²C-bus by providing bidirectional buffering for both the data (SDA) and the clock (SCL) lines, thus enabling the I²C-bus or SMBus maximum capacitance of 400 pF on the higher voltage side. The SDA and SCL pins are over-voltage tolerant and are high-impedance when the PCA9519 is unpowered.
The port B drivers are compliant with SMBus I/O levels, while port A uses a current sensing mechanism to detect the input or output LOW signal which prevents bus lock-up. The port A uses a 1 mA current source for pull-up and a 200 Ω pull-down driver. This results in a LOW on port A accommodating smaller voltage swings. The output pull-down on the port A internal buffer LOW is set for approximately 0.2 V, while the input threshold of the internal buffer is set about 50 mV lower than that of the output voltage LOW. When the port A I/O is driven LOW internally, the LOW is not recognized as a LOW by the input. This prevents a lock-up condition from occurring. The output pull-down on the port B drives a hard LOW and the input level is set at 0.3 of SMBus or I²C-bus voltage level which enables port B to connect to any other I²C-bus device or buffer.
The PCA9519 drivers are not enabled unless VCC(A) is above 0.8 V and VCC(B) is above 2.5 V. The enable (EN) pin can also be used to turn the drivers on and off under system control. Caution should be observed to only change the state of the EN pin when the bus is idle.
図を選択する。:
注: 製品の特徴を見るには、このウィンドウを閉じます。.
|
|
|
|
|
|
|
|---|---|---|---|---|---|
|
|
|
|
|
|
|
|
|
|
|
|
|
|
|
|
|
|
|
|
|
|
|
|
|
|
|
|
|
|
|
|
|
|
|
|
|
|
|
|
|
|
|
|
|
|
|
|
|
|
|
|
|
|
|
|
|
|
|
|
|
|
|
|
|
|
|
|
|
|
クイック・リファレンス ドキュメンテーションの種類
1-10 件/全 12 ドキュメント
コンパクトリスト
セキュアファイルの読み込み中、しばらくお待ちください。
2 設計・ファイル
完全な内訳を受け取ります。 製品の設置面積などについては、 eCad ファイル.
セキュアファイルの読み込み中、しばらくお待ちください。
2 エンジニアリング・サービス
There are no results for this selection.
この製品をサポートするその他のパートナー製品を見つけるには、当社の Web サイトにアクセスしてください パートナーマーケットプレイス.