
コンパクトリスト
お客様の素早い設計とより早い製品化を実現する、技術情報と専門知識をご紹介します。

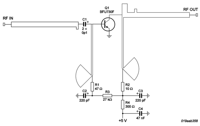
Second stage Ku band LNA using BFU730F in a LNB satellite application.
| 販売代理店 | 地域 | 在庫 | 在庫日 | 注文 |
|---|
Upon selection of a preferred distributor, you will be directed to their web site to place and service your order. Please be aware that distributors are independent businesses and set their own prices, terms and conditions of sale. NXP makes no representations or warranties, express or implied, about distributors, or the prices, terms and conditions of sale agreed upon by you and any distributor.