Multifunctional Ignition and Injector Driver

画像にカーソルを合わせると拡大表示されます。

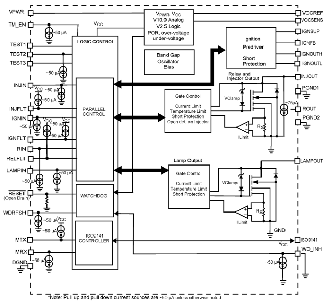
ブロック図

NXP MC33812 Low Side Switch Block Diagram

NXP MC33812 Low Side Switch Block Diagram

Features

Key Features

  • Designed to operate over the range of ~4.7 V ≤ VPWR ≤ 36 V
  • Fuel Injector driver - Current Limit - 4.0 A Typical
  • Ignition pre-driver can drive IGBT or Darlington bipolar junction transistors
  • Ignition pre-driver has independent high and low side outputs
  • Relay driver - Current Limit - 4.0 A Typical
  • Lamp driver- Current Limit - 1.5 A Typical
  • All external outputs protected against short to battery, over-current
  • Ignition and other drivers protected against over-temperature
  • Interfaces directly to MCU using 5.0 V parallel interface
  • VCC voltage pre-regulator provides +5.0 V power for the MCU
  • MCU Power On RESET generator
  • MCU watchdog timer circuit with parallel refresh/time setting line
  • Independent fault annunciation outputs for ignition and injection
  • ISO-9141 K-Line transceiver for communicating diagnostic messages

購入/パラメータ










































































































ドキュメント

クイック・リファレンス ドキュメンテーションの種類

7 ドキュメント

コンパクトリスト

アプリケーション・ノート (2)
セレクタ・ガイド (1)
データ・シート (1)
ファクト・シート (1)
ユーザ・ガイド (2)

デザイン・ファイル

ハードウェア

クイック・リファレンス ボードタイプ.

3 ハードウェア提供

ソフトウェア

クイック・リファレンス ソフトウェア・タイプ.

1 ソフトウェア・ファイル

注: より快適にご利用いただくために、ソフトウェアのダウンロードはデスクトップで行うことを推奨します。

エンジニアリング・サービス

4 エンジニアリング・サービス

この製品をサポートするその他のパートナー製品を見つけるには、当社の Web サイトにアクセスしてください パートナーマーケットプレイス.

サポート

お困りのことは何ですか??