Product Longevity
Participating products are available for a minimum of 10 years. Designated participating products developed for the automotive, telecom and medical segments are available for a minimum of 15 years.
お客様の素早い設計とより早い製品化を実現する、技術情報と専門知識をご紹介します。
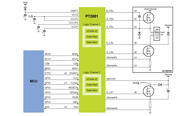
The PT2001 is a programmable gate driver IC for precision solenoid control applications, which makes the component very flexible and relieves the main microcontroller from the intensive task of the actuator control.
The chip integrates four microcores used to control, five external MOSFET high-side pre-drivers, seven external MOSFET low-side pre-drivers, a DC-DC converter, integrated end of injection detection, current measurement and diagnostics.

注: 製品の特徴を見るには、このウィンドウを閉じます。.
Participating products are available for a minimum of 10 years. Designated participating products developed for the automotive, telecom and medical segments are available for a minimum of 15 years.
|
|
|
|
|
|
|
|---|---|---|---|---|---|
|
|
|
|
|
|
|
|
|
|
|
|
|
|
|
|
|
|
|
|
|
|
|
|
|
|
|
|
|
|
|
|
|
|
|
|
|
|
|
|
|
|
|
|
|
|
|
|
|
|
|
|
|
|
|
|
|
|
|
|
|
|
|
|
|
|
|
|
|
|
クイック・リファレンス ドキュメンテーションの種類
6 ドキュメント
コンパクトリスト
セキュアファイルの読み込み中、しばらくお待ちください。
セキュアファイルの読み込み中、しばらくお待ちください。
クイック・リファレンス ソフトウェア・タイプ.
4 ソフトウェア・ファイル
注: より快適にご利用いただくために、ソフトウェアのダウンロードはデスクトップで行うことを推奨します。
セキュアファイルの読み込み中、しばらくお待ちください。