
External Automotive Lighting Multi-Channel eXtreme Switch
お客様の素早い設計とより早い製品化を実現する、技術情報と専門知識をご紹介します。
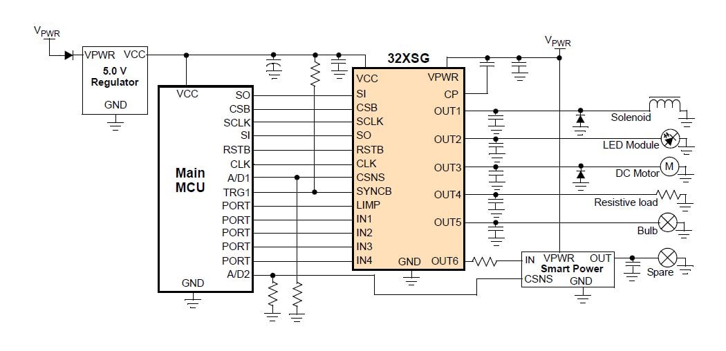
The NXP 32XSG family is an extended version of the 12XSF covering higher voltage range up to 32 V. These eXtreme switches are designed to control and diagnose various type of loads such as lights, DC motors, PLC, etc.
| Product | Datasheet | RDSon (mOhm) | Package | Suggested tool |
| MC07XSG517 | Datasheet | 3 x 7.0 2 x 17.0 |
SOIC EP 54 | - |
| MC17XSG500 | Datasheet | 5 x 17.0 | SOIC EP 32 | FRDM-32XSG-EVB |
|
|
|
|
|
|
|
|---|---|---|---|---|---|
|
|
|
|
|
|
|
|
|
|
|
|
|
|
|
|
|
|
|
|
|
|
|
|
|
|
|
|
|
|
|
|
|
|
|
|
|
|
|
|
|
|
|
|
|
|
|
|
|
|
|
|
|
|
|
|
|
|
|
|
|
|
|
|
|
|
|
|
|
|
クイック・リファレンス ドキュメンテーションの種類
セキュアファイルの読み込み中、しばらくお待ちください。
クイック・リファレンス ソフトウェア・タイプ.
1 ソフトウェア・ファイル
注: より快適にご利用いただくために、ソフトウェアのダウンロードはデスクトップで行うことを推奨します。
セキュアファイルの読み込み中、しばらくお待ちください。
3 エンジニアリング・サービス
There are no results for this selection.
この製品をサポートするその他のパートナー製品を見つけるには、当社の Web サイトにアクセスしてください パートナーマーケットプレイス.