
SuperSpeed USB 3.0 Redriver
お客様の素早い設計とより早い製品化を実現する、技術情報と専門知識をご紹介します。
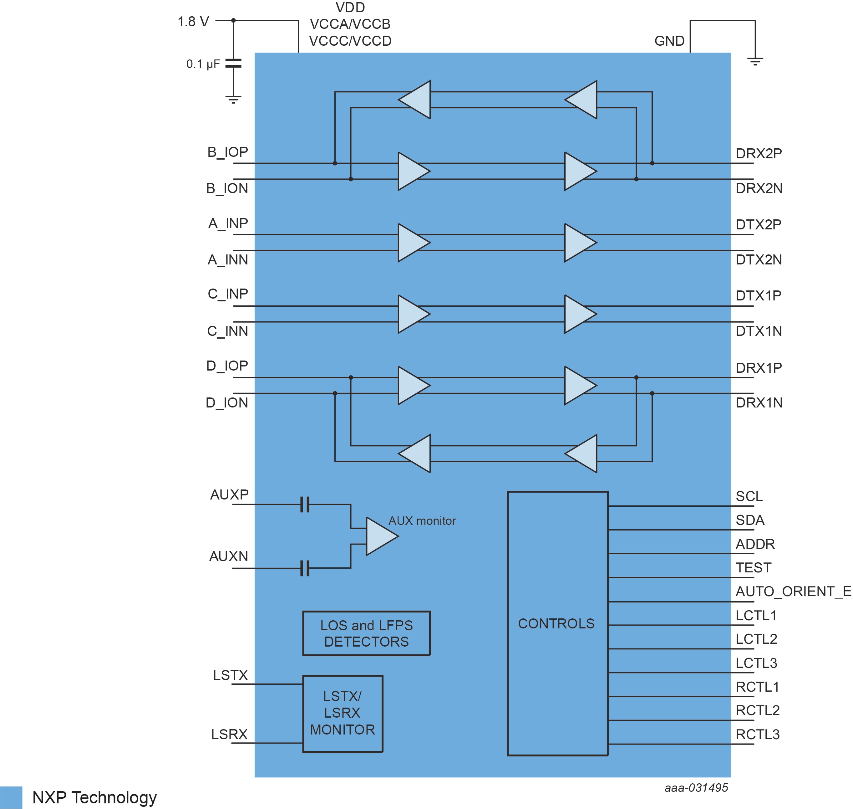
PTN38007は、高性能USB4 20 Gbps 4レーン・リニア・リドライバで、USB3.2、DisplayPort 1.4、Thunderbolt3 オルタネート・モード/USB4アプリケーション用に最適化されており、ダウンストリーム・ポート (DFP) またはアップストリーム・ポート (UFP) アプリケーションのいずれでも動作します。
また、このデバイスはDPモード (AUX) やThunderbolt3/USB4モード (LSTX/RX) での側波帯信号のスヌーピング監視機能を実装しており、構成を最適化し、省電力モードを認識します。
このデバイスは、ピン・ストラッピングまたはI²C制御によって出力信号スイングのリニアリティを制御するプログラマブル・リニア・イコライゼーションを備えており、シンボル間干渉 (ISI) を抑制することで、シグナル・インテグリティの向上およびチャネルの拡張を可能にします。
PTN38007は一般に、プロセッサとUSB Type-Cポート対応リタイマとの間で使用されます。
PTN38007は1.8 V電源で動作します。パッケージには小型で高性能なHWFLGA36を採用しています。
製品の詳細とサンプルの供給状況については、最寄りの営業所にお問い合わせください。

|
|
|
|
|
|
|
|---|---|---|---|---|---|
|
|
|
|
|
|
|
|
|
|
|
|
|
|
|
|
|
|
|
|
|
|
|
|
|
|
|
|
|
|
|
|
|
|
|
|
|
|
|
|
|
|
|
|
|
|
|
|
|
|
|
|
|
|
|
|
|
|
|
|
|
|
|
|
|
|
|
|
|
|
クイック・リファレンス ドキュメンテーションの種類
2 ドキュメント
コンパクトリスト
セキュアファイルの読み込み中、しばらくお待ちください。