アプリケーション・ノート (2)
-
AN96007[AN96007]
サポート情報 (1)
-
Footprint for reflow soldering[SO-SOJ-REFLOW]
お客様の素早い設計とより早い製品化を実現する、技術情報と専門知識をご紹介します。
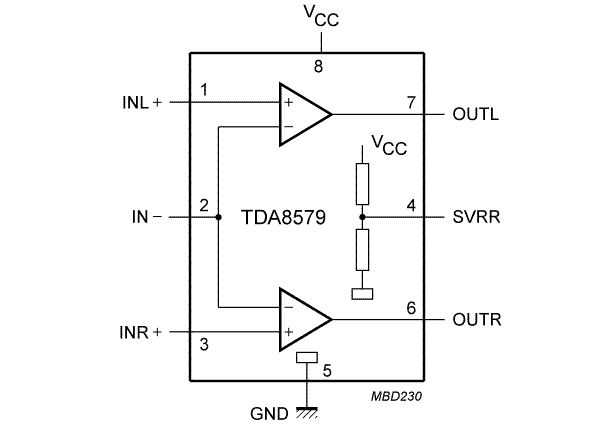
The TDA8579T is a two channel differential amplifier with 0 dB gain and low distortion. The device has been primarily developed for car radio applications where long connections between signal sources and amplifiers (or boosters) are necessary and where ground noise has to be eliminated. The device is intended to be used to receive line inputs in audio applications that require a high level of common-mode rejection. The device is contained in an 8-pin Small Outline (SO) package.

|
|
|
|
|
|
|
|---|---|---|---|---|---|
|
|
|
|
|
|
|
|
|
|
|
|
|
|
|
|
|
|
|
|
|
|
|
|
|
|
|
|
|
|
|
|
|
|
|
|
|
|
|
|
|
|
|
|
|
|
|
|
|
|
|
|
|
|
|
|
|
|
|
|
|
|
|
|
|
|
|
|
|
|
クイック・リファレンス ドキュメンテーションの種類
6 ドキュメント
コンパクトリスト
セキュアファイルの読み込み中、しばらくお待ちください。