アプリケーション・ノート (3)
データ・シート (1)
パッケージ情報 (1)
ユーザ・ガイド (6)
-
UBA2015P reference design 230 V (AC)[UM10466]
-
UBA2015P reference design 120 V (AC)[UM10486]
お客様の素早い設計とより早い製品化を実現する、技術情報と専門知識をご紹介します。
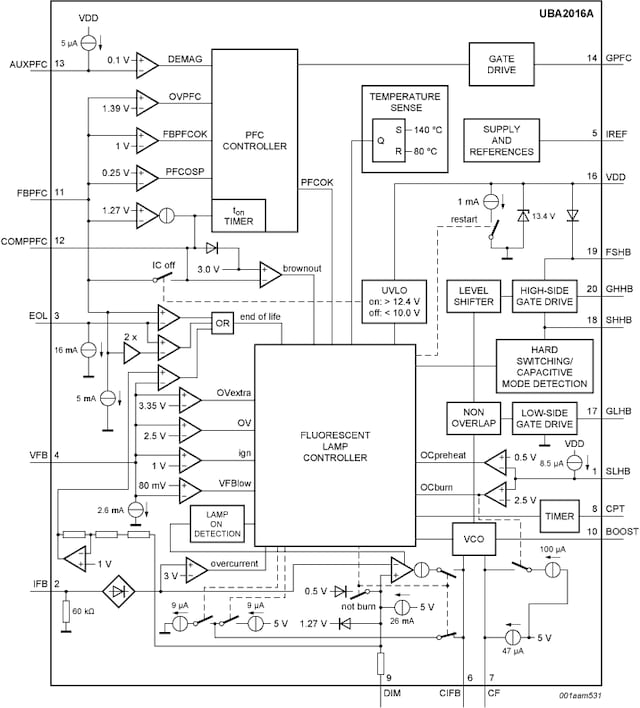
The UBA2016AT is a high voltage Integrated Circuit (IC) intended to drive fluorescent lamps with filaments such as Tube Lamps (TL) and Compact Fluorescent Lamps (CFL) in general lighting applications. The IC comprises a fluorescent lamp control module, half-bridge driver, built-in critical conduction mode Power Factor Correction (PFC) controller/driver and several protection mechanisms. The IC drives fluorescent lamp(s) using a half-bridge circuit made of two MOSFETs with a supply voltage of up to 600 V. The UBA2016AT is designed to be supplied by a start-up bleeder resistor and a dV/dt supply from the half-bridge circuit, or any other auxiliary supply derived from the half-bridge or the PFC. The supply current of the IC is low. An internal clamp limits the supply voltage.
|
|
|
|
|
|
|
|---|---|---|---|---|---|
|
|
|
|
|
|
|
|
|
|
|
|
|
|
|
|
|
|
|
|
|
|
|
|
|
|
|
|
|
|
|
|
|
|
|
|
|
|
|
|
|
|
|
|
|
|
|
|
|
|
|
|
|
|
|
|
|
|
|
|
|
|
|
|
|
|
|
|
|
|
クイック・リファレンス ドキュメンテーションの種類
1-10 件/全 11 ドキュメント
コンパクトリスト
セキュアファイルの読み込み中、しばらくお待ちください。