アプリケーション・ノート (2)
サポート情報 (1)
-
Reflow Soldering Profile[REFLOW_SOLDERING_PROFILE]
データ・シート (1)
-
350 V and 600 V Power ICs for dimmable compact fluorescent lamps[UBA20271_UBA20272]注目
お客様の素早い設計とより早い製品化を実現する、技術情報と専門知識をご紹介します。
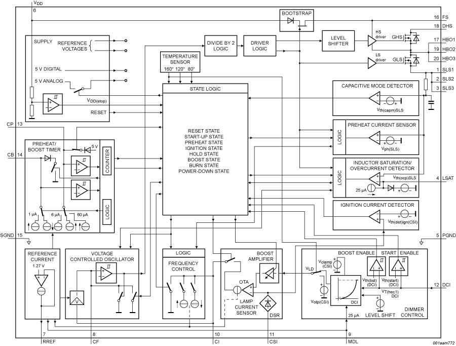
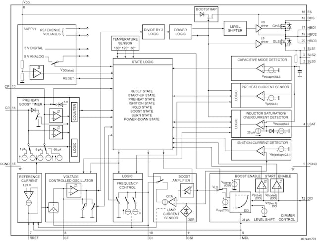
The UBA20271 is a high voltage Power IC intended to drive and control high power self ballasted dimmable Compact Fluorescent Lamps (CFL) for 120V mains. The UBA20271 includes a half-bridge power circuit made up of two NMOST power FETs with advanced features for dimming and a lamp current controlled boost feature for boosting cold (amalgam) CFL lamps. The controller contains a half-bridge drive function, including a high voltage level-shift circuit with integrated bootstrap diode, an oscillator function, a current control function both for preheat and burn, timer function and protection circuits. The UBA20271 is supplied via a high-efficient dV/dt supply circuit.
|
|
|
|
|
|
|
|---|---|---|---|---|---|
|
|
|
|
|
|
|
|
|
|
|
|
|
|
|
|
|
|
|
|
|
|
|
|
|
|
|
|
|
|
|
|
|
|
|
|
|
|
|
|
|
|
|
|
|
|
|
|
|
|
|
|
|
|
|
|
|
|
|
|
|
|
|
|
|
|
|
|
|
|
クイック・リファレンス ドキュメンテーションの種類
6 ドキュメント
コンパクトリスト
セキュアファイルの読み込み中、しばらくお待ちください。