サポート情報 (1)
-
Footprint for reflow soldering[SSOP-TSSOP-VSO-REFLOW]
データ・シート (1)
パッケージ情報 (1)
-
Standard product orientation 12NC ending 118[SOT370-1_118]
お客様の素早い設計とより早い製品化を実現する、技術情報と専門知識をご紹介します。
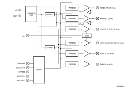
The PCK2021 is a clock synthesizer/driver for a Pentium IIITMand other similar processors.
The PCK2021 has six differential pair CPU current source outputs, two 33 MHz outputs, one 3V66 output, and two 48 MHz clocks which can be disabled on power-up, and one 3.3 V reference clock at 14.318 MHz which can also be disabled on power-up.
The part possesses a dedicated power-down input pin for power management control. This input is synchronized on chip, and ensures glitch-free output transitions. In addition, the part can be configured to disable the 48 MHz outputs for lower power operation and an increase in the performance of the functioning outputs. The REF and PCI outputs can also be disabled for the highest performance of the Host outputs.
|
|
|
|
|
|
|
|---|---|---|---|---|---|
|
|
|
|
|
|
|
|
|
|
|
|
|
|
|
|
|
|
|
|
|
|
|
|
|
|
|
|
|
|
|
|
|
|
|
|
|
|
|
|
|
|
|
|
|
|
|
|
|
|
|
|
|
|
|
|
|
|
|
|
|
|
|
|
|
|
|
|
|
|
クイック・リファレンス ドキュメンテーションの種類
4 ドキュメント
コンパクトリスト
セキュアファイルの読み込み中、しばらくお待ちください。