アプリケーション・ノート (5)
データ・シート (1)
パッケージ情報 (1)
ユーザ・ガイド (2)
-
PCA9698 demonstration board OM6281[UM10267]
お客様の素早い設計とより早い製品化を実現する、技術情報と専門知識をご紹介します。
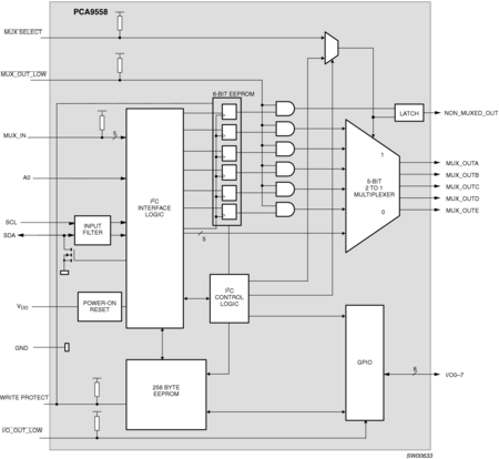
The PCA9558 is a highly integrated, multi-function device that is composed of a 5-bit multiplexed/1-bit latched 6-bit I²C-bus/SMBus EEPROM DIP switch, an 8-bit I/O expander and a 2-kbit serial EEPROM with write protect. The PCA9558 integrates these commonly used components into a single chip to reduce component count and board space requirements and is useful in computer, server and telecom/networking applications.
The PCA9558 has one address pin, allowing up to two devices to be placed on the same I²C-bus or SMBus.
|
|
|
|
|
|
|
|---|---|---|---|---|---|
|
|
|
|
|
|
|
|
|
|
|
|
|
|
|
|
|
|
|
|
|
|
|
|
|
|
|
|
|
|
|
|
|
|
|
|
|
|
|
|
|
|
|
|
|
|
|
|
|
|
|
|
|
|
|
|
|
|
|
|
|
|
|
|
|
|
|
|
|
|
クイック・リファレンス ドキュメンテーションの種類
10 ドキュメント
コンパクトリスト
セキュアファイルの読み込み中、しばらくお待ちください。