アプリケーション・ノート (1)
-
AN10216[AN10216]
データ・シート (1)
パッケージ情報 (1)
レポートまたはプレゼンテーション (1)
-
DesignCon 2003 TecForum I²C-Bus Overview[DESIGN_CON_2003_TECFORUM_I2C_B_1]
お客様の素早い設計とより早い製品化を実現する、技術情報と専門知識をご紹介します。
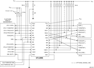
The GTL2006 is a 13-bit translator to interface between the 3.3 V LVTTL chip set I/O and the XeonTM processor GTL-/GTL/GTL+ I/O. The GTL2006 is designed for platform health management in dual processor applications.

|
|
|
|
|
|
|
|---|---|---|---|---|---|
|
|
|
|
|
|
|
|
|
|
|
|
|
|
|
|
|
|
|
|
|
|
|
|
|
|
|
|
|
|
|
|
|
|
|
|
|
|
|
|
|
|
|
|
|
|
|
|
|
|
|
|
|
|
|
|
|
|
|
|
|
|
|
|
|
|
|
|
|
|
クイック・リファレンス ドキュメンテーションの種類
5 ドキュメント
コンパクトリスト
セキュアファイルの読み込み中、しばらくお待ちください。
2 設計・ファイル
完全な内訳を受け取ります。 製品の設置面積などについては、 eCad ファイル.
セキュアファイルの読み込み中、しばらくお待ちください。