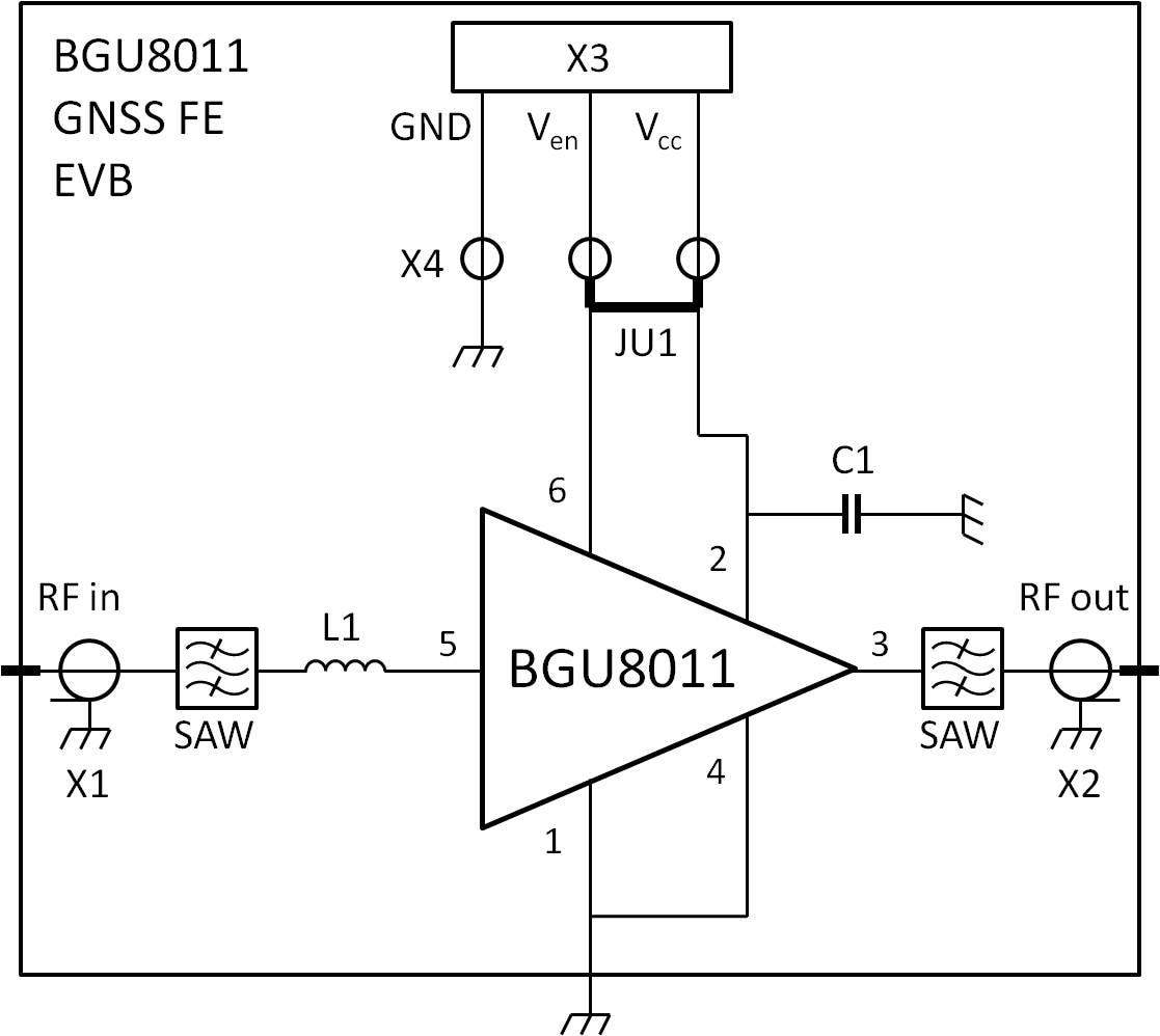
BGU8011 GNSS FE evaluation board

画像にカーソルを合わせると拡大表示されます。

Features

Power Management

  • Covers full GNSS L1 bands (GPS, COMPASS, Galileo, and GLONASS)
  • Supply voltage 1.5 V to 3.1 V
  • Optimized performance at 4.4 mA low supply current
  • Power-down mode current consumption < 1 µA
  • ESD protection on all pins (HBM > 2 kV)
  • Integrated matching for the output
  • Input and output DC decoupled
  • Requires only one input matching inductor, one supply decoupling capacitor, and in- and output EPCOS B8313 SAW filters

Size

  • 1.1 mm x 0.9 mm x 0.5 mm; 0.4 mm pitch: SOT1230
  • 180 GHz transit frequency - SiGe:C technology
  • Integrated temperature stabilized bias for easy design
  • Noise figure (NF) = 1.5 dB
  • Gain = 14.9 dB
  • High input 1 dB compression point of -5 dBm

購入オプション

OM7842-Image

クリックして展開

OM7842
アクティブ

BGU8011 GNSS FE evaluation board.

ドキュメント

クイック・リファレンス ドキュメンテーションの種類

1 ドキュメント

コンパクトリスト

設計・リソース

デザイン・ファイル

クイック・リファレンス 設計・ファイルの種類.

1 設計・ファイル

サポート

お困りのことは何ですか??