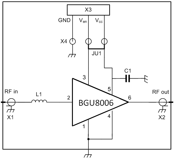
BGU8006 GNSS LNA evaluation board

画像にカーソルを合わせると拡大表示されます。

Features

  • Covers full GNSS L1 band, from 1559 MHz to 1610 MHz
  • Noise figure (NF) = 0.65 dB
  • Gain = 17.2 dB
  • High input 1 dB compression point of -7.5 dBm
  • High out of band IP3i of 6 dBm

Power Management

  • Supply voltage 1.5 V to 3.1 V
  • Optimized performance at very low supply current of 3.6 mA
  • Power-down mode current consumption < 1 µA
  • Integrated temperature stabilized bias for easy design
  • ESD protection on all pins (HBM > 2 kV)
  • Very small Wafer Level Chip Scale Package (WLCSP) 0.65 x 0.44 x 0.2 mm³; 6 solder bumps; 0.22 mm bump pitch
  • Input and output DC decoupled
  • Integrated matching for the output
  • 180 GHz transit frequency - SiGe:C technology

購入オプション

OM7829-Image

クリックして展開

OM7829
製造中止

BGU8006 GNSS LNA evaluation board.

サポート

お困りのことは何ですか??