H-Bridge Gate Driver IC

  • このページには、製造中止(生産終了)となった製品の情報が記載されています。本ページに記載されている仕様および情報は、過去の参考情報です。

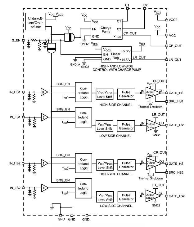
ブロック図

H-Bridge Gate Driver IC

NXP<sup>&#174;</sup> MC33883 Internal Block Diagram

Features

Key Features

  • VCC operating voltage range from 5.5 V up to 55 V
  • VCC2 operating voltage range from 5.5 V up to 28 V
  • CMOS / LSTTL compatible I / O
  • 1 A peak gate driver current
  • Built-in high side charge pump
  • Under-voltage lockout (UVLO)
  • Over-voltage lockout (OVLO)
  • Global enable with <10 μA Sleep mode
  • Supports PWM up to 100 kHz
  • Parallel interface and input control
  • 4 channels
  • Load current (IL) 1 A (Typ)
  • Drain-to-source on resistance 1000 mOhm RDS(ON) (Typ)

購入/パラメータ










































































































ドキュメント

クイック・リファレンス ドキュメンテーションの種類

5 ドキュメント

コンパクトリスト

アプリケーション・ノート (2)
セレクタ・ガイド (2)
データ・シート (1)

デザイン・ファイル

サポート

お困りのことは何ですか??