コンパクトリスト
お客様の素早い設計とより早い製品化を実現する、技術情報と専門知識をご紹介します。
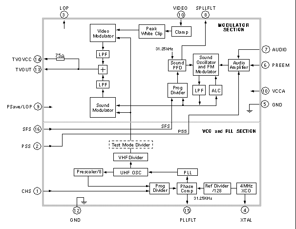
The MC44BC375U/J/T is a Phase Locked Loop (PLL) tuned, Very High Frequency (VHF), audio/video (A/V), high integration modulator, integrated circuit (IC). It is intended for use in VCRs, Games, and Set-Top box systems.
The MC44BC375U/J/T is compatible with the National Television System Committee (NTSC) format.
No external tank circuit components are needed. This reduces Printed Circuit Board (PCB) design sensitivity and the need for external adjustments.
A 4MHz crystal oscillator provides the PLL reference, a sound subcarrier is generated on-chip with no external components, and a Power Save function is selected by the PSave/LO pin, which turns OFF all internal VCOs and Mixers. Simultaneously, it switches ON the Logic Output Port (LOP).
The MC44BC375U/J/T is available in the 16-pin (SO16NB) package.
クイック・リファレンス ドキュメンテーションの種類
1 ドキュメント
コンパクトリスト
セキュアファイルの読み込み中、しばらくお待ちください。