USB PD3.0 and QC4.0 Type-C Controller for SMPS

  • このページには、製造中止(生産終了)となった製品の情報が記載されています。本ページに記載されている仕様および情報は、過去の参考情報です。

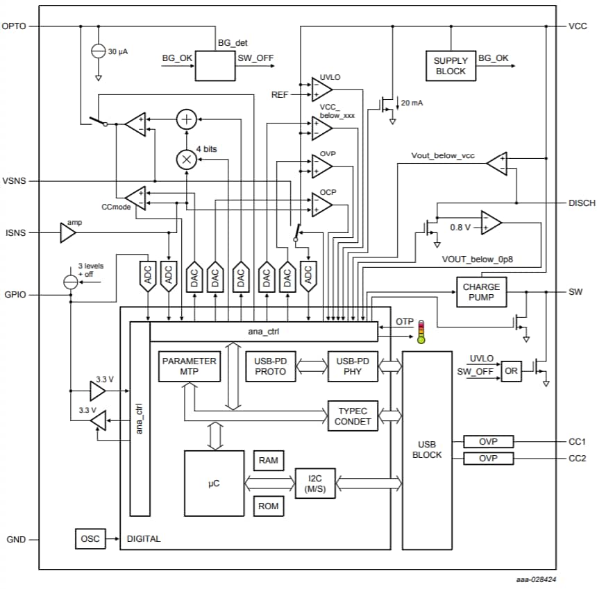
ブロック図

USB PD3.0 and QC4.0 Type-C Controller for SMPS

TEA19032BT block diagram

Features

General

  • Excellent full safe application for high-power adapters, which protect against overload conditions
  • Wide output voltage operating range (2.9 V to 20 V)
  • Ultra-high efficiency together with TEA193x QR/DCM controller and TEA199x SR controller
  • Very low no-load power (< 30 mW for the complete system solution)
  • High power density
  • Dedicated SW pin to drive external NMOS directly
  • Constant Voltage (CV) and Constant Current (CC) control (programmable level)
  • Precise voltage and current control with low minimum step size (voltage 12-bit DAC, current 10-bit DAC)
  • Low-cost SO10 package (suitable for reflow soldering and wave soldering)
  • Low-cost Bill Of Materials (BOM; ≈15 external components)
  • Embedded MCU (with ROM, RAM and MTP memory)
  • Discharge pin for fast discharge
  • Built-in series regulator and programmable cable compensation
  • Non-volatile MTP memory for storage of system configuration parameters

Protocol Support

  • USB Type-C v.1.3
  • USB Power Delivery (USB-PD) 2.0 and 3.0 including Programmable Power Supply (PPS)
  • Supports Qualcomm® QuickChargeTM QC4.0 protocols
  • Battery Charging 1.2 (BC 1.2)
  • Unstructured Vendor Defined Messages (VDMs), which can be used for MTP programming, e.g. to get Vendor IDs

Protections

  • OverTemperature Protection (OTP): one internal and one external
  • Adaptive OverVoltage Protection (OVP)
  • Adaptive UnderVoltage Protection (UVP)
  • OverCurrent Protection (OCP)
  • UnderVoltage LockOut (UVLO) protection
  • Output Short Protection (OSP)
  • Open-Supply Protection (OSUP)
  • Overvoltage protection at the CC1 and CC2 pins
  • Soft short protection at CC1 and CC2 pins
  • Soft short protection at the output

NXP GreenChip

  • This product is part of the NXP GreenChip portfolio, this program optimizes for energy efficiency in mobile and computing applications, specializing in high-power density, safety and reliability.

ドキュメント

クイック・リファレンス ドキュメンテーションの種類

8 ドキュメント

コンパクトリスト

アプリケーション・ノート (1)
サポート情報 (2)
データ・シート (1)
パッケージ情報 (1)
ユーザ・ガイド (3)

デザイン・ファイル

ソフトウェア

クイック・リファレンス ソフトウェア・タイプ.

1 ソフトウェア・ファイル

注: より快適にご利用いただくために、ソフトウェアのダウンロードはデスクトップで行うことを推奨します。