アプリケーション・ノート (1)
サポート情報 (1)
-
Footprint for wave soldering[QFP-SQFP-TQFP-WAVE]
データ・シート (1)
-
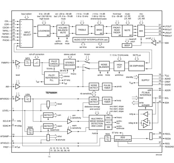
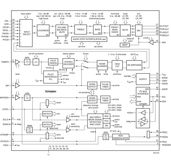
Car radio integrated signal processor[TEF6890H]
お客様の素早い設計とより早い製品化を実現する、技術情報と専門知識をご紹介します。
Archived content is no longer updated and is made available for historical reference only.
|
|
|
|
|
|
|
|---|---|---|---|---|---|
|
|
|
|
|
|
|
|
|
|
|
|
|
|
|
|
|
|
|
|
|
|
|
|
|
|
|
|
|
|
|
|
|
|
|
|
|
|
|
|
|
|
|
|
|
|
|
|
|
|
|
|
|
|
|
|
|
|
|
|
|
|
|
|
|
|
|
|
|
|
クイック・リファレンス ドキュメンテーションの種類
4 ドキュメント
コンパクトリスト
セキュアファイルの読み込み中、しばらくお待ちください。