サポート情報 (1)
-
Footprint for wave soldering[QFP-SQFP-TQFP-WAVE]
データ・シート (1)
-
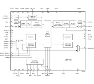
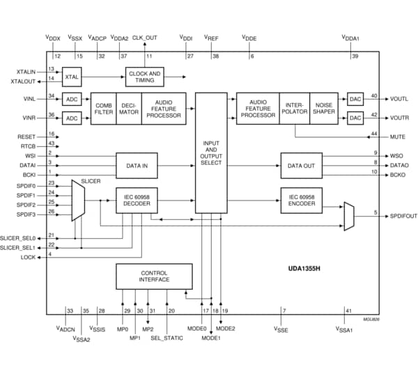
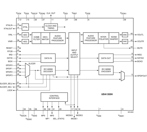
Stereo audio codec with SPDIF interface[UDA1355H]
お客様の素早い設計とより早い製品化を実現する、技術情報と専門知識をご紹介します。
The UDA1355H is a single-chip IEC 60958 decoder and encoder with integrated stereo digital-to-analog converters and analog-to-digital converters employing bitstream conversion techniques.
The UDA1355H has a selectable one-of-four SPDIF input (accepting level I, II and III timing) and one SPDIF output which can generate level II output signals with CMOS levels. In microcontroller mode the UDA1355H offers a large variety of possibilities for defining signal flows through the IC, offering a flexible analog, digital and SPDIF converter chip with possibilities for off-chip sound processing via the digital input and output interface.
A lock indicator is available on pin LOCK when the IEC 60958 decoder and the clock regeneration mechanism is in lock. By default the DAC output and the digital data interface output are muted when the decoder is not in lock.
The UDA1355H contains two clock systems which can run at independent frequencies, allowing to lock-on to an incoming SPDIF or digital audio signal, and in the mean time generating a stable signal by means of the crystal oscillator for driving, for example, the ADC or SPDIF output signal.
Using the crystal oscillator (which requires a 12.288 MHz crystal) and the on-chip low jitter PLL, all standard audio sampling frequencies (fs= 32, 44.1 and 48 kHz including half and double these frequencies) can be generated.
|
|
|
|
|
|
|
|---|---|---|---|---|---|
|
|
|
|
|
|
|
|
|
|
|
|
|
|
|
|
|
|
|
|
|
|
|
|
|
|
|
|
|
|
|
|
|
|
|
|
|
|
|
|
|
|
|
|
|
|
|
|
|
|
|
|
|
|
|
|
|
|
|
|
|
|
|
|
|
|
|
|
|
|
クイック・リファレンス ドキュメンテーションの種類
3 ドキュメント
コンパクトリスト
セキュアファイルの読み込み中、しばらくお待ちください。