アプリケーション・ノート (2)
サポート情報 (1)
-
Footprint for Wave Soldering[SO-SOJ-WAVE]
お客様の素早い設計とより早い製品化を実現する、技術情報と専門知識をご紹介します。
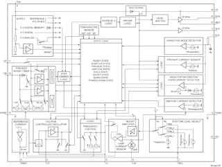
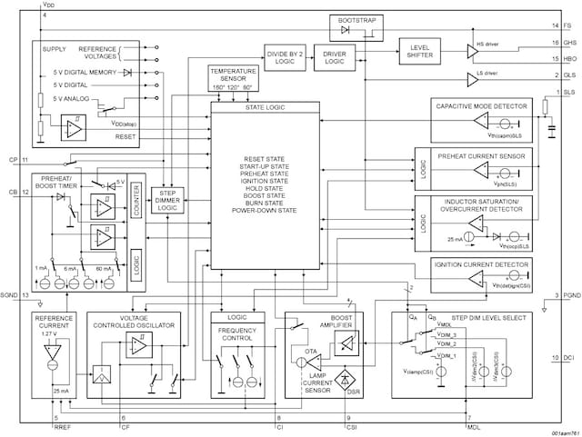
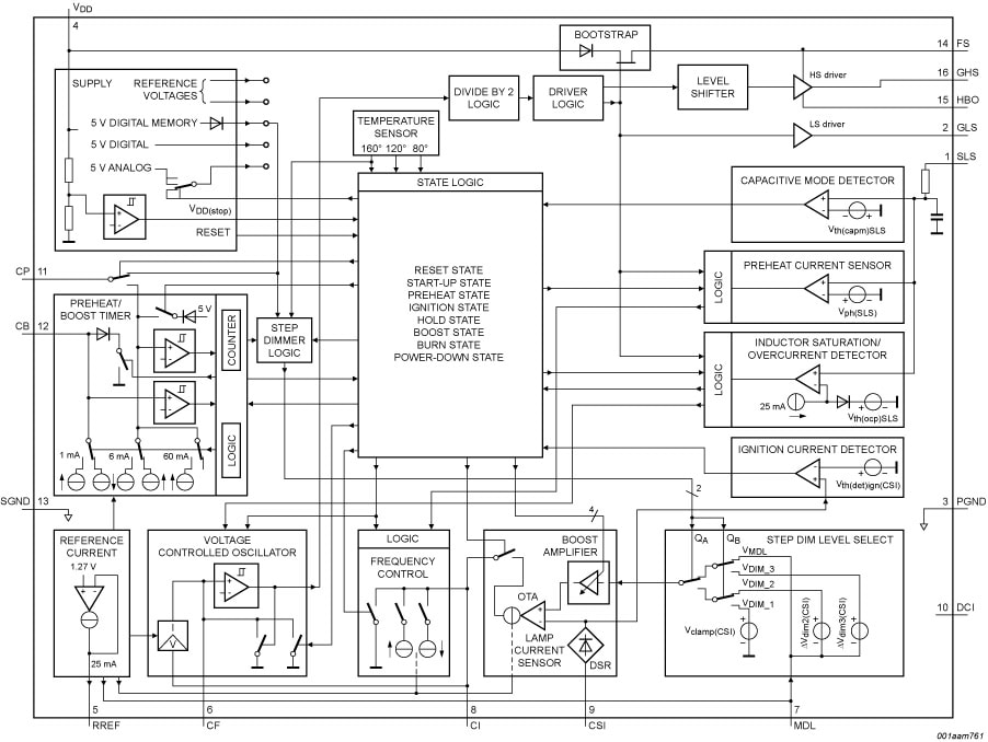
The UBA20260 is a high-voltage integrated circuit designed to control high power self-ballasted Compact Fluorescent Lamp (CFL) lighting applications. The UBA20260 is a controller circuit with advanced features for step dimming and a lamp current controlled boost feature for boosting cold (amalgam) CFLs. The controller contains a half-bridge drive function for CFLs, a high-voltage level-shift circuit with integrated bootstrap diode, an oscillator function, a current control function for preheat and burn, a timer function and protection circuits. The UBA20260 is supplied using the dV/dt current charge supply circuit from the half-bridge circuit.
|
|
|
|
|
|
|
|---|---|---|---|---|---|
|
|
|
|
|
|
|
|
|
|
|
|
|
|
|
|
|
|
|
|
|
|
|
|
|
|
|
|
|
|
|
|
|
|
|
|
|
|
|
|
|
|
|
|
|
|
|
|
|
|
|
|
|
|
|
|
|
|
|
|
|
|
|
|
|
|
|
|
|
|
クイック・リファレンス ドキュメンテーションの種類
5 ドキュメント
コンパクトリスト
セキュアファイルの読み込み中、しばらくお待ちください。